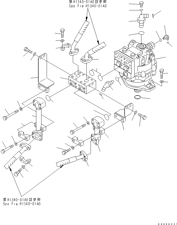
Запчасти Komatsu PC800-7 МОТОР ПОВОРОТА (ЗАДН.) ПОВОРОТН. КРУГ И КОМПОНЕНТЫ

Схема запчастей Komatsu PC800-7 - МОТОР ПОВОРОТА (ЗАДН.) ПОВОРОТН. КРУГ И КОМПОНЕНТЫ
1
2
3
4
5
6
7
8
9
10
11
12
13
14
15
16
17
18
19
20
21
22
23
24
25
26
27
28
29
30
31
32
33
33
34
35
36
36
37
38
39
39
40
41
42
43
FIT
1:1
100%

Артикул

Название

Примечание

Количество

1

706-7G-01030

MOTOR ASS'Y

2

22U-26-21280

RING

3

209-64-16621

ELBOW

4

07002-13334

O-RING

5

207-62-64740

O-RING

6

07040-11007

PLUG

7

07002-11023

O-RING

8

02783-10522

ELBOW

9

07002-12434

O-RING

10

02896-11015

O-RING

11

21W-62-42490

ELBOW

12

07002-11423

O-RING

13

02896-11009

O-RING

14

209-60-76130

BLOCK

15

21T-09-11470

O-RING

16

209-62-73440

TUBE

17

21T-09-11470

O-RING

18

01011-81050

BOLT

19

01643-51032

WASHER

20

209-62-73430

TUBE

21

21T-09-11470

O-RING

22

01011-81050

BOLT

23

01643-51032

WASHER

24

209-62-73460

BRACKET

25

01010-81225

BOLT

26

01643-31232

WASHER

27

205-62-54460

CLAMP

28

01010-81275

BOLT

29

01643-31232

WASHER

30

209-62-73451

BRACKET

31

01010-81225

BOLT

32

01643-31232

WASHER

33

205-62-54460

CLAMP

34

01010-81275

BOLT

35

01643-31232

WASHER

36

07371-31049

FLANGE

37

07372-21035

BOLT

38

01643-51032

WASHER

39

07371-51260

FLANGE

40

01010-81245

BOLT

41

01643-31232

WASHER

42

01010-82055

BOLT

43

01643-32060

WASHER

Выбрано товаров: 43