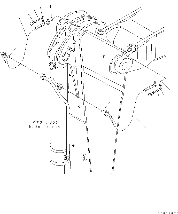
Запчасти Komatsu PC800-7 РУКОЯТЬ (.9M) (ЦИЛИНДР КОВША ТРУБЫ) (ДЛЯ ЭКСКАВАТ.) РАБОЧЕЕ ОБОРУДОВАНИЕ

Схема запчастей Komatsu PC800-7 - РУКОЯТЬ (.9M) (ЦИЛИНДР КОВША ТРУБЫ) (ДЛЯ ЭКСКАВАТ.) РАБОЧЕЕ ОБОРУДОВАНИЕ
1
1
2
2
3
3
4
4
5
5
5
5
FIT
1:1
100%

Артикул

Название

Примечание

Количество

1

07098-21221

HOSE

2

07371-51260

FLANGE

3

01010-81245

BOLT

4

01643-31232

WASHER

5

07000-13038

O-RING

Выбрано товаров: 5