Запчасти Komatsu PC800-8E0 ГИДРОЛИНИЯ ХОДАКРЫШКА(№-) ГИДРОЛИНИЯ ХОДАCOVER

Схема запчастей Komatsu PC800-8E0 - ГИДРОЛИНИЯ ХОДАКРЫШКА(№-) ГИДРОЛИНИЯ ХОДАCOVER
30
14
15
28
13
29
31
33
32
27
26
24
25
17
18
16
23
12
11
8
10
9
1
3
2
7
6
5
4
3
2
18
17
22
21
19
20
34
FIT
1:1
100%

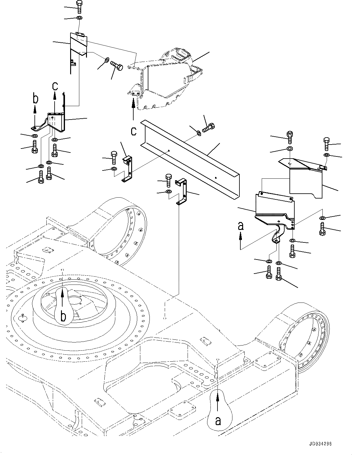
Артикул

Название

Примечание

Количество

1

209-30-41371

Cover

2

01010-81230

Bolt

3

175-54-34170

Washer

4

01010-81245

Bolt

5

175-54-34170

Washer

6

01010-81240

Bolt

7

175-54-34170

Washer

8

209-30-41351

Cover

9

01010-81245

Bolt

10

175-54-34170

Washer

11

01010-81640

Bolt

12

21T-54-16150

Washer

13

209-30-77460

Bracket

14

01010-81230

Bolt

15

01643-31232

Washer

16

209-30-41381

Cover

17

01010-81230

Bolt

18

175-54-34170

Washer

19

01010-81245

Bolt

20

175-54-34170

Washer

21

01010-81240

Bolt

22

175-54-34170

Washer

23

209-30-41361

Cover

24

01010-81245

Bolt

25

175-54-34170

Washer

26

01010-81640

Bolt

27

21T-54-16150

Washer

28

209-30-77470

Bracket

29

01010-81230

Bolt

30

01643-31232

Washer

31

209-30-77450

Cover

32

01010-81230

Bolt

33

01643-31232

Washer

34

209-30-41420

Guard

Выбрано товаров: 34