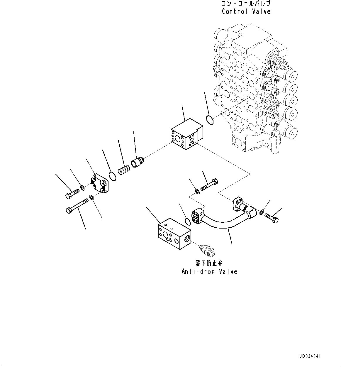
Запчасти Komatsu PC800-8E0 КОВШ ТРУБЫ, УПРАВЛЯЮЩ. КЛАПАН КОМПОНЕНТЫ (№-) КОВШ ТРУБЫ, С -СЕРВИСНЫЙ КЛАПАН

Схема запчастей Komatsu PC800-8E0 - КОВШ ТРУБЫ, УПРАВЛЯЮЩ. КЛАПАН КОМПОНЕНТЫ (№-) КОВШ ТРУБЫ, С -СЕРВИСНЫЙ КЛАПАН
1
2
4
5
6
7
3
14
9
10
8
13
12
16
15
11
17
FIT
1:1
100%

Артикул

Название

Примечание

Количество

|$0

209-60-71701

Valve Assembly

1

01010-80845

Bolt

2

01643-50823

Washer

3

07000-B3048

O-ring

4

07750-04595

Spring

5

209-60-52720

Poppet

6

Block

7

209-60-71720

Cover

8

07000-B3048

O-ring

9

01011-81490

Bolt

10

01643-31445

Washer, Flat

11

209-62-76890

Tube

12

07000-B3035

O-ring

13

07372-21060

Bolt

14

01643-51032

Washer

15

07372-21040

Bolt

16

01643-51032

Washer

17

209-62-76920

Block

Выбрано товаров: 18