Запчасти Komatsu PC800-8E0 КАБИНА, ПОЛ, РЫЧАГ, ПРАВ. (/) (№-) КАБИНА, EOPS КАБИНА, КАРЬЕРН, ЗАЩИТА ОТ ВАНДАЛИЗМА, С СИДЕНЬЕ ОПЕРАТОРА, ПОДОГРЕВED, AMBER COLOR WARNING МИГАЛКА, KOMTRAX

Схема запчастей Komatsu PC800-8E0 - КАБИНА, ПОЛ, РЫЧАГ, ПРАВ. (/) (№-) КАБИНА, EOPS КАБИНА, КАРЬЕРН, ЗАЩИТА ОТ ВАНДАЛИЗМА, С СИДЕНЬЕ ОПЕРАТОРА, ПОДОГРЕВED, AMBER COLOR WARNING МИГАЛКА, KOMTRAX
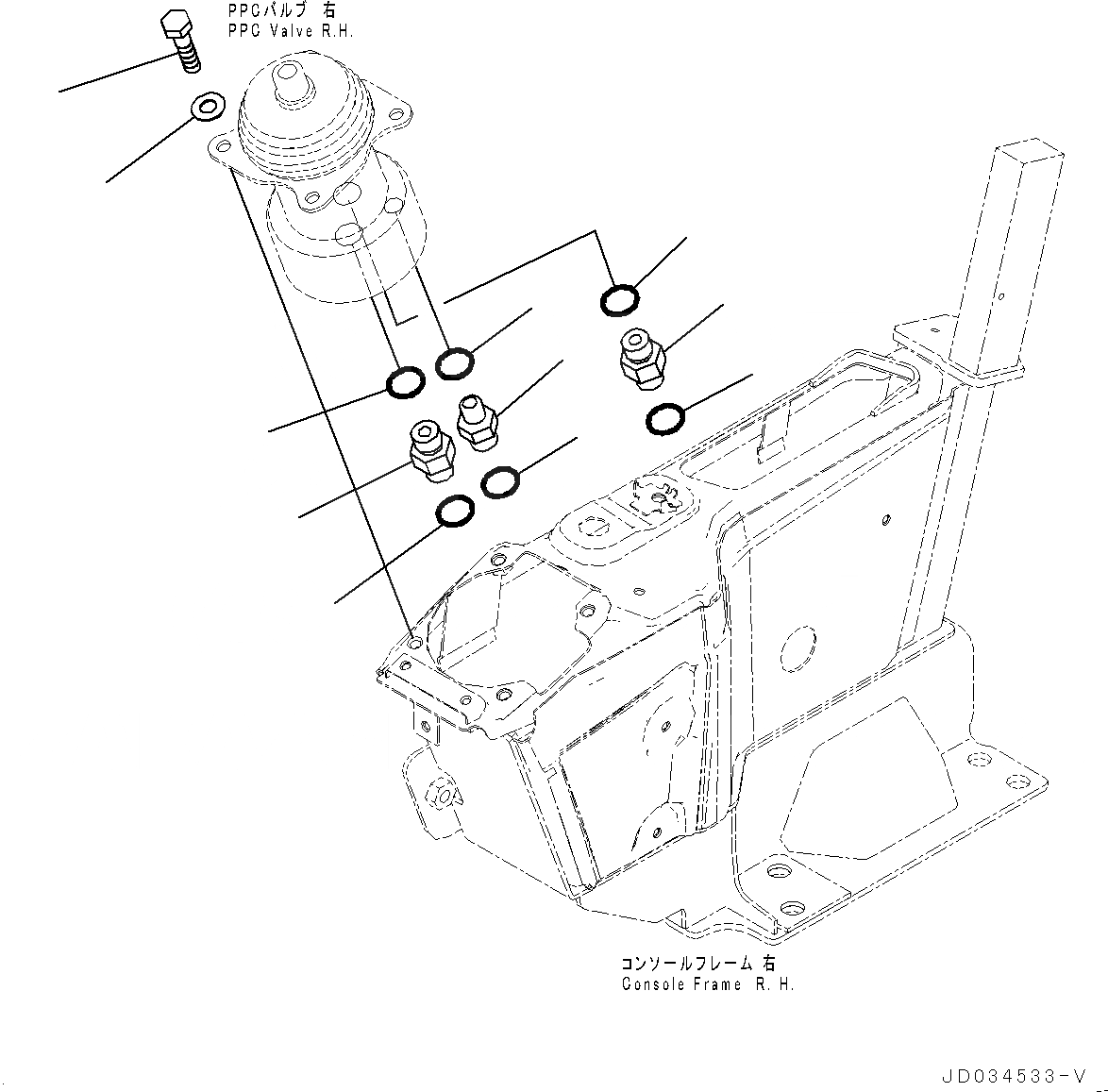
1
2
9
10
11
3
6
8
7
4
5
FIT
1:1
100%

Артикул

Название

Примечание

Количество

1

01010-80820

Bolt

2

01643-30823

Washer

3

02781-00313

Union

4

02896-11009

O-ring

5

07002-11823

O-ring

6

02781-00313

Union

7

02896-11009

O-ring

8

07002-11823

O-ring

9

11Y-62-12520

Union

10

02896-11009

O-ring

11

07002-11423

O-ring

Выбрано товаров: 11