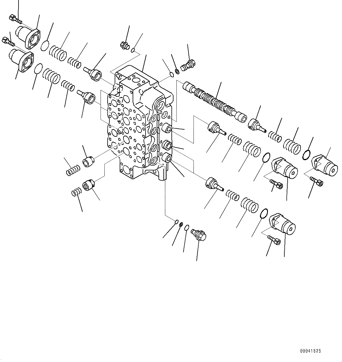
Запчасти Komatsu PC800-8E0 ОСНОВН. УПРАВЛЯЮЩ. КЛАПАН, НАВЕСН. ОБОРУД, СТРЕЛА И РУКОЯТЬ, ВНУТР. ЧАСТИ, 4-Х СЕКЦИОНН. УПРАВЛЯЮЩ. КЛАПАН (/7) ОСНОВН. УПРАВЛЯЮЩ. КЛАПАН, НАВЕСН. ОБОРУД, СТРЕЛА И РУКОЯТЬ

Схема запчастей Komatsu PC800-8E0 - ОСНОВН. УПРАВЛЯЮЩ. КЛАПАН, НАВЕСН. ОБОРУД, СТРЕЛА И РУКОЯТЬ, ВНУТР. ЧАСТИ, 4-Х СЕКЦИОНН. УПРАВЛЯЮЩ. КЛАПАН (/7) ОСНОВН. УПРАВЛЯЮЩ. КЛАПАН, НАВЕСН. ОБОРУД, СТРЕЛА И РУКОЯТЬ
8
10
9
1
7
6
16
19
17
20
15
21
21
15
20
17
18
16
22
24
23
25
13
14
12
11
16
18
17
20
21
15
27
21
21
28
17
18
26
5
4
3
2
16
19
17
20
15
FIT
1:1
100%

Артикул

Название

Примечание

Количество

|$0

709-14-95500

Valve, Control

|$1

Body Group

1

Body

2

Spool

3

Spool Assembly

4

Spool

5

Spool Assembly

6

700-22-11370

Plug

7

07002-12434

O-Ring

8

709-14-11510

Plug

9

700-80-61260

O-Ring

10

700-80-61430

Ring

11

700-94-11260

Plug

12

07002-13634

O-Ring

13

07000-12018

O-Ring

14

07001-02018

Ring, Back-Up

15

709-14-12560

Recoil Spring Case

16

709-14-12570

Retainer

17

709-14-11550

Spring

18

709-14-12430

Spring

19

709-14-11560

Spring

20

07000-12065

O-Ring

21

01252-61035

Bolt

22

709-12-11411

Valve, Check

23

709-14-12610

Valve, Check

24

709-12-11430

Spring

25

709-14-11721

Spring

26

709-14-12580

Retainer

27

709-14-12590

Case, Spring

28

6354-81-5670

O-Ring

Выбрано товаров: 30