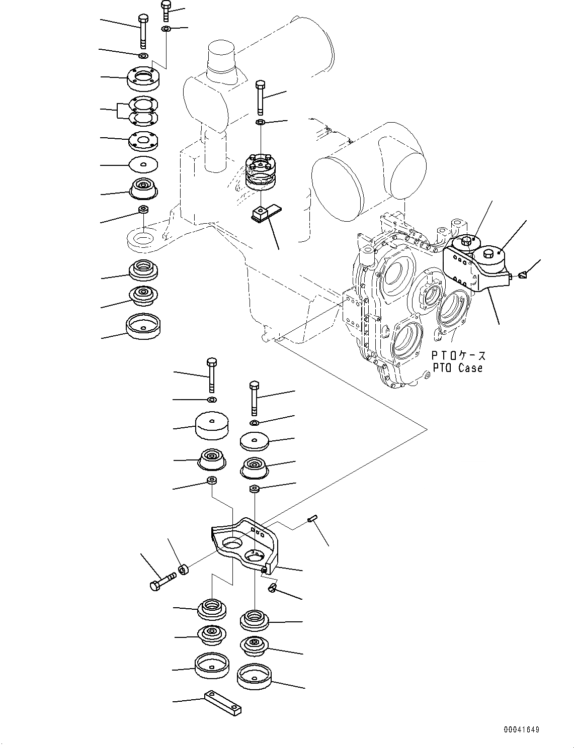
Запчасти Komatsu PC800-8E0 КРЕПЛЕНИЕ ДВИГАТЕЛЯS, КОРПУС И ПОДУШКИ КРЕПЛЕНИЕ ДВИГАТЕЛЯS

Схема запчастей Komatsu PC800-8E0 - КРЕПЛЕНИЕ ДВИГАТЕЛЯS, КОРПУС И ПОДУШКИ КРЕПЛЕНИЕ ДВИГАТЕЛЯS
11
12
10
18
15
14
7
8
6
7
9
26
27
23
20
21
3
2
19
20
22
28
25
20
19
5
1
4
21
20
24
27
26
1
5
23
24
13
12
11
17
16
FIT
1:1
100%

Артикул

Название

Примечание

Количество

1

21N-01-11170

Bracket

2

01010-82060

Bolt

3

01643-32060

Washer

4

04020-01842

Pin, Dowel

5

07049-01215

Plug

6

21T-01-11210

Collar

7

21N-01-11120

Cushion

8

21T-01-11220

Collar

9

209-01-51133

Stopper

10

209-01-51190

Stopper

11

208-01-11181

Bolt

12

01643-32460

Washer

13

209-01-77140

Plate

14

209-01-51210

Spacer

15

209-01-51220

Plate

16

01010-81235

Bolt

17

01643-31232

Washer

18

209-01-00020

Shim Assembly

|$18

Shim, T=1.0mm

|$19

Shim, T=0.5mm

19

21T-01-11210

Collar

20

21T-01-11150

Cushion

21

21T-01-11220

Collar

22

209-01-51133

Stopper

23

209-01-51142

Stopper

24

21T-01-11180

Washer

25

21T-01-11190

Washer

26

208-01-11181

Bolt

27

01643-32460

Washer

28

21T-01-11230

Plate

Выбрано товаров: 30