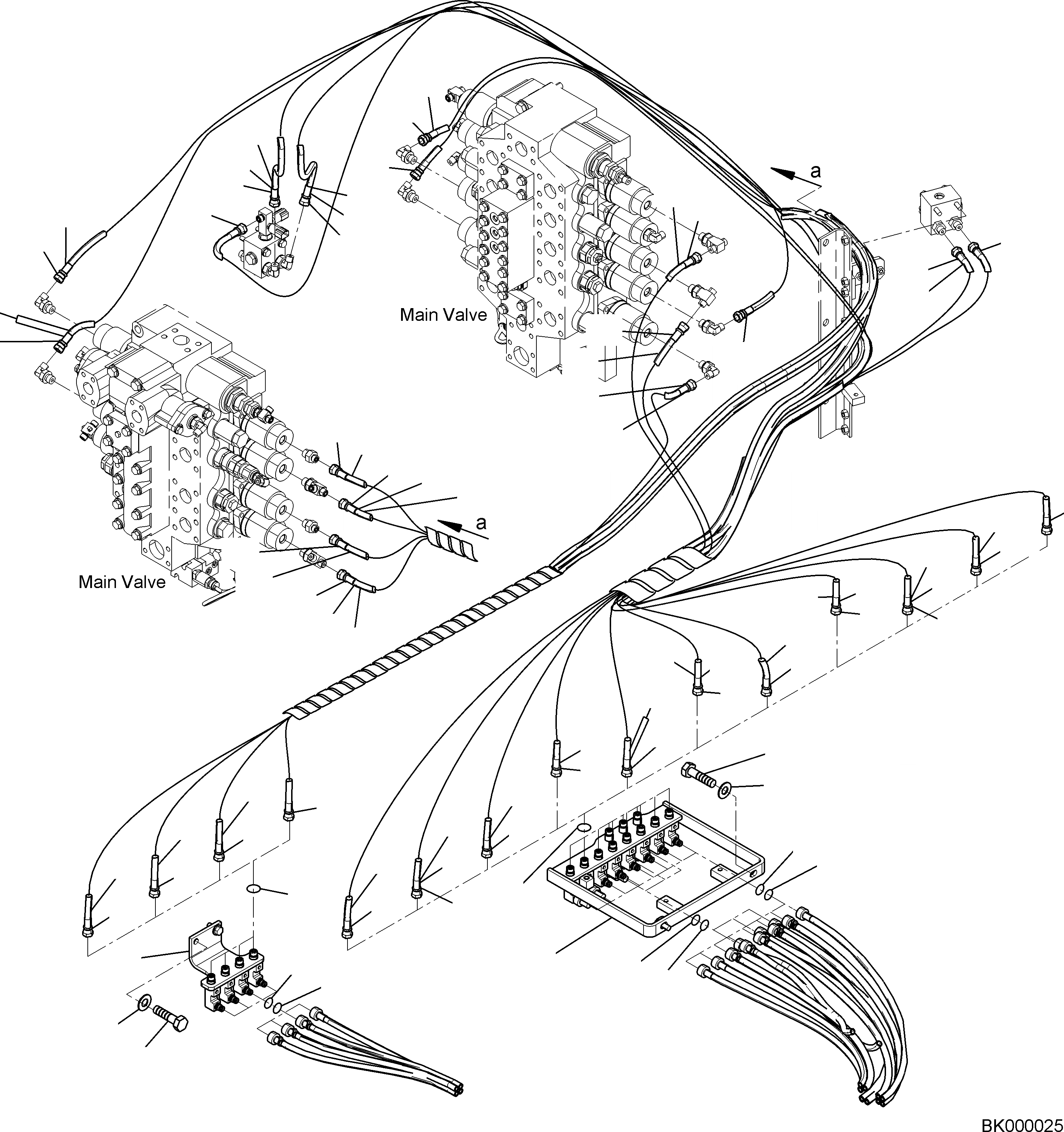
Запчасти Komatsu PC800-8E0 ПРОПОРЦИОНАЛЬН. PRESSURE УПРАВЛ-Е (PPC) ТРУБЫ СОЕД-Е, НАВЕСН. ОБОРУД, СОЕД-Е ПРОПОРЦИОНАЛЬН. PRESSURE УПРАВЛ-Е (PPC) ТРУБЫ СОЕД-Е, НАВЕСН. ОБОРУД, СТРЕЛА И РУКОЯТЬ

Схема запчастей Komatsu PC800-8E0 - ПРОПОРЦИОНАЛЬН. PRESSURE УПРАВЛ-Е (PPC) ТРУБЫ СОЕД-Е, НАВЕСН. ОБОРУД, СОЕД-Е ПРОПОРЦИОНАЛЬН. PRESSURE УПРАВЛ-Е (PPC) ТРУБЫ СОЕД-Е, НАВЕСН. ОБОРУД, СТРЕЛА И РУКОЯТЬ
31
29
40
39
21
37
18
40
16
35
24
41
22
27
37
26
30
40
15
36
35
17
19
20
25
23
34
38
40
27
30
26
33
28
31
32
39
40
28
37
28
17
31
33
40
15
41
40
37
36
31
7
29
8
23
32
21
28
40
24
19
3
38
18
2
25
22
6
12
16
20
34
11
9
1
5
10
4
14
13
FIT
1:1
100%

Артикул

Название

Примечание

Количество

1

209-64-17470

Joint

2

201-60-11390

O-Ring

3

20Y-62-19560

O-Ring

4

201-60-11390

O-Ring

5

20Y-62-19560

O-Ring

6

02896-11009

O-Ring

7

01010-81230

Bolt

8

175-54-34170

Washer

9

209-64-16560

Joint

10

201-60-11390

O-Ring

11

20Y-62-19560

O-Ring

12

02896-11009

O-Ring

13

01010-81230

Bolt

14

01643-31232

Washer

|$15

209-64-45440

Hose Assembly

15

02760-00313

Hose, Face Seal Type

16

02760-00314

Hose, Face Seal Type

17

20Y-62-22810

Band, Yellow

18

20Y-62-22860

Band, Brown

|$20

209-62-46260

Hose Assembly

19

02760-00323

Hose, Face Seal Type

20

02760-00328

Hose, Face Seal Type

21

02760-00331

Hose, Face Seal Type

22

02760-00336

Hose, Face Seal Type

23

20Y-62-22790

Band, Red

24

20Y-62-22820

Band, Blue

25

20Y-62-22850

Band, Green

|$28

209-64-45650

Hose Assembly

26

02760-00316

Hose, Face Seal Type

27

02760-00317

Hose

28

02760-00323

Hose, Face Seal Type

29

02760-00325

Hose

30

20Y-62-22820

Band, Blue

31

20Y-62-22830

Band, White

32

20Y-62-22840

Band, Black

33

20Y-62-22850

Band, Green

|$37

209-62-48880

Hose Assembly

34

02760-00324

Hose, Face Seal Type

35

02760-00326

Hose, Face Seal Type

36

02760-00335

Hose, Face Seal Type

37

02760-00340

Hose, Face Seal Type

38

20Y-62-22790

Band, Red

39

20Y-62-22810

Band, Yellow

40

20Y-62-22830

Band, White

41

20Y-62-22860

Band, Brown

Выбрано товаров: 45