Качественные детали и логистика
Оригинальные и аналоговые запчасти с доставкой по России, Казахстану и Беларуси
©2022 PartSell ООО "Система" ИНН 2463123282 ОГРН 1212400004838
Центральный офис: г. Красноярск, Академика Киренского, д.87, пом.4
Телефон: 8 (800) 777-65-74 Email: zakaz@partsell.ru
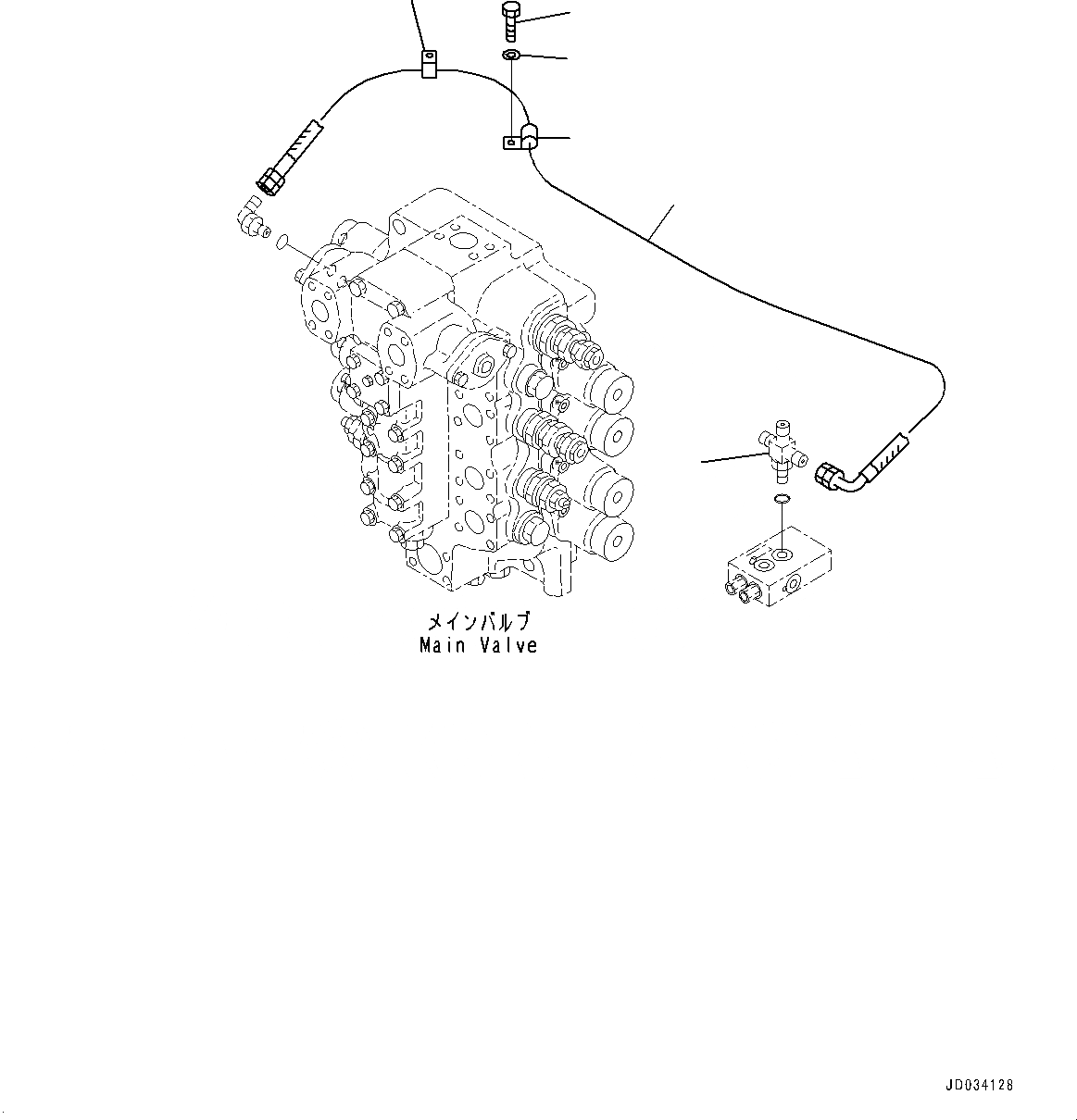
ПРОПОРЦИОНАЛЬН. PRESSURE УПРАВЛ-Е (PPC) ПРЯМ. ХОД ТРУБЫ
№
Артикул
Название
Примечание
Количество
1
209-62-42391
Hose
2
04434-51712
Clip
3
01010-81225
Bolt
4
01643-31232
Washer
5
209-64-16491
Tee
Выбрано товаров: 0