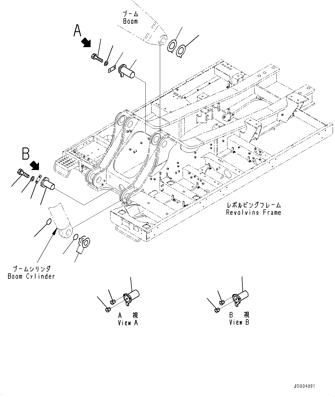
Запчасти Komatsu PC800-8E0 СТРЕЛА НИЖН. ПАЛЕЦ СТРЕЛА НИЖН. ПАЛЕЦ

Схема запчастей Komatsu PC800-8E0 - СТРЕЛА НИЖН. ПАЛЕЦ СТРЕЛА НИЖН. ПАЛЕЦ
6
5
1
2
4
3
11
12
10
9
13
13
14
8
7
1
16
15
9
FIT
1:1
100%

Артикул

Название

Примечание

Количество

1

209-72-11172

Pin

2

21N-70-11230

Plate

3

01010-81640

Bolt

4

01643-31645

Washer

5

209-70-71640

Shim, T=1.0mm

6

209-70-71650

Shim, T=1.5mm

7

07049-02430

Plug

8

07049-03038

Plug

9

209-72-51161

Pin

10

21N-70-11230

Plate

11

01010-81640

Bolt

12

01643-31645

Washer

13

07000-12130

O-Ring

14

209-72-00040

Shim Assembly

14

Shim, T=1.0mm

14

Shim, T=1.5mm

15

07049-02430

Plug

16

07049-03038

Plug

Выбрано товаров: 18