Запчасти Komatsu PC800-8E0 МАРКИРОВКА, ПЛАСТИНА И БУКВЕНН. МАРКИРОВКА МАРКИРОВКА

Схема запчастей Komatsu PC800-8E0 - МАРКИРОВКА, ПЛАСТИНА И БУКВЕНН. МАРКИРОВКА МАРКИРОВКА
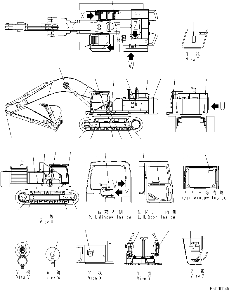
14
7
19
19
15
22
8
18
12
15
15
23
18
3
21
17
15
13
9
10
15
17
5
20
17
15
15
17
6
1
2
4
16
11
FIT
1:1
100%

Артикул

Название

Примечание

Количество

|$1

209-00-K1311

Decal Kit

|$2

209-00-K1310

Decal Kit

1

209-00-41391

Plate

2

209-00-45352

Plate

3

209-00-41780

Plate, Circuit Breaker

4

209-00-41270

Plate, Grease Point

5

209-00-71940

Plate

6

6217-71-6860

Plate, Fuel Filter

7

208-00-71260

Plate, Notice

8

20Y-00-41530

Plate, Ecot 3

9

09696-40108

Plate, Dynamic Noise

10

09696-50073

Plate, Noise, Operator

11

22U-00-21511

Plate

12

20E-00-K1710

Plate, Caution

13

09845-00480

Plate, Komtrax Warning

14

09669-0000C

Plate, Hydraulic Oil

15

09960-00801

Plate, Mark, Lifting Point

16

09637-A0640

Plate, Instruction, Air Cleaner Element

17

09960-00802

Plate,Tie Down Point

18

09960-01012

Plate, Mark, Gravity Position

19

14X-98-35181

Plate, Reflector

20

20Y-00-41461

Plate

21

09601-02063

Plate, Name, (Limited Supply)

22

209-00-41111

Mark Plate, PC800

23

209-00-41121

Mark Plate, PC800

Выбрано товаров: 25