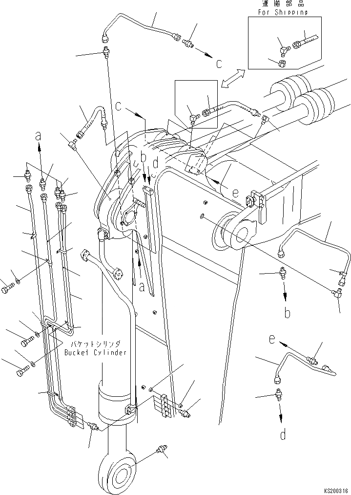
Запчасти Komatsu PC800-8K РУКОЯТЬ (.9M) (СМАЗКА) (ДЛЯ ЭКСКАВАТ.) (SE) T РАБОЧЕЕ ОБОРУДОВАНИЕ

Схема запчастей Komatsu PC800-8K - РУКОЯТЬ (.9M) (СМАЗКА) (ДЛЯ ЭКСКАВАТ.) (SE) T РАБОЧЕЕ ОБОРУДОВАНИЕ
9
11
14
13
28
13
14
12
4
23
11
5
8
10
8
27
2
1
29
30
20
25
26
21
22
19
24
7
3
24
15
8
8
16
18
17
8
6
23
23
26
25
8
FIT
1:1
100%

Артикул

Название

Примечание

Количество

1

07020-00000

FITTING

2

07214-51013

CONNECTOR

3

209-70-75761

TUBE

4

209-70-75771

TUBE

5

07217-51013

ELBOW

6

209-70-75721

TUBE

7

209-70-75950

TUBE

8

07214-51013

CONNECTOR

9

209-70-75651

TUBE

10

209-70-75960

TUBE

11

07214-51013

CONNECTOR

12

20G-68-12930

ELBOW

13

421-70-13132

HOSE

14

205-70-51380

ELBOW

15

209-70-75621

TUBE

16

07214-51013

CONNECTOR

17

205-70-51370

HOSE

18

205-70-51380

ELBOW

19

203-06-53730

CLIP

20

04434-51010

CLIP

21

01010-81020

BOLT

22

01643-31032

WASHER

23

04434-51010

CLIP

24

04435-51010

CLIP

25

01010-81020

BOLT

26

01643-31032

WASHER

27

07020-00900

FITTING

28

209-98-51110

PLUG

29

07049-01212

PLUG

30

07049-01215

PLUG

Выбрано товаров: 30