Запчасти Komatsu PC800-8K МАРКИРОВКА (ПЛАСТИНА И БУКВЕНН. МАРКИРОВКА) (PC8) U МАРКИРОВКА

Схема запчастей Komatsu PC800-8K - МАРКИРОВКА (ПЛАСТИНА И БУКВЕНН. МАРКИРОВКА) (PC8) U МАРКИРОВКА
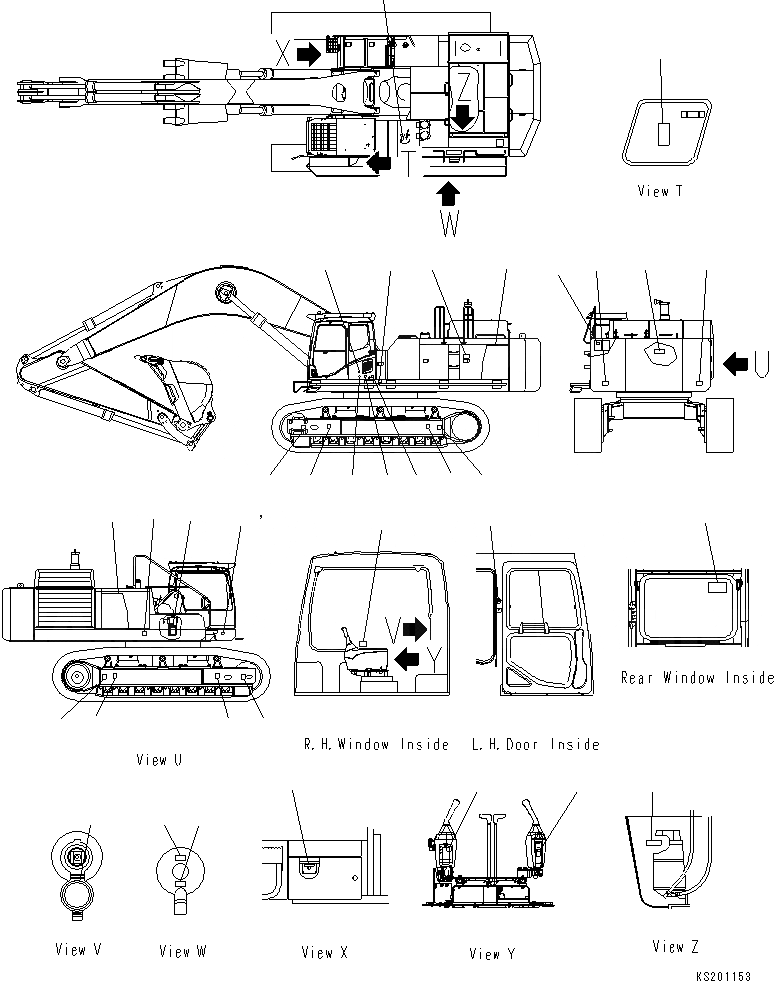
14
7
12
18
8
25
20
19
27
19
21
5
22
17
15
10
9
13
15
17
23
24
3
18
26
17
15
15
17
4
16
28
11
2
1
6
FIT
1:1
100%

Артикул

Название

Примечание

Количество

|1

209-00-K1265

DECAL KIT

|1

209-00-K1264

DECAL KIT

|1

209-00-K1262

DECAL KIT

|1

209-00-K1261

DECAL KIT

1

209-00-41391

PLATE,SWING AND PUMP OVERRIDE

|1

206-00-K1010

PLATE

2

209-00-23232

PLATE,FUSE

|2

209-00-41350

PLATE

3

209-00-41220

PLATE

4

209-00-41270

PLATE

5

209-00-71940

PLATE

6

6217-71-6860

PLATE,FUEL FILTER

|6

6217-71-6470

PLATE,FUEL FILTER

7

208-00-71261

PLATE,KEY REMOVE

|7

208-00-71260

PLATE,NOTICE

8

20Y-00-41530

PLATE,ECOT 3

9

09696-40108

PLATE,DYNAMIC NOISE

10

09696-50073

PLATE,NOISE, OPERATOR

11

22U-00-21511

PLATE,12V SOCKET

|11

207-00-K1770

PLATE

12

20E-00-K1710

PLATE, CAUTION

13

20E-00-K1690

PLATE, CAUTION,ANTI-FREEZE

14

20E-00-K1270

PLATE,HYDRAULIC OIL

15

09960-01001

PLATE, MARK,LIFTING POINT

16

09637-A0640

PLATE, INSTRUCTION,AIR CLEANER ELEMENT

|16

20E-00-K1120

PLATE, INSTRUCTION,AIR CLEANER ELEMENT

17

20E-00-K1950

PLATE,TIE DOWN POINT

18

09960-61012

PLATE, MARK,GRAVITY POSITION

19

14X-98-35181

PLATE,REFLECTOR

|19

14X-98-35180

PLATE,REFLECTOR

20

09642-A0480

PLATE,COOLANT

21

20Y-00-41461

PLATE,WINDOW LOCK

22

09845-00480

PLATE,KOMTRAX

23

09601-02063

PLATE, NAME,(LIMITED SUPPLY)

|23

205-00-K1291

PLATE, NAME,(LIMITED SUPPLY)

24

04418-13030

SCREW

25

209-00-41111

MARK PLATE,PC800

26

209-00-41121

MARK PLATE,PC800

|27

20Y-00-K2980

DECAL KIT (ENGINE)

27

6271-81-2980

PLATE,FUEL HIGH PRESSURE

28

600-181-1930

PLATE,AIR CLEANER

Выбрано товаров: 0