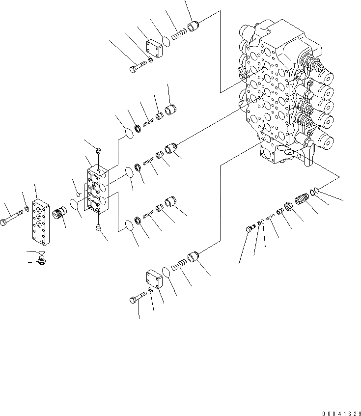
Запчасти Komatsu PC800-8K ОСНОВН. КЛАПАН (5-СЕКЦИОНН.) (/) Y ОСНОВН. КОМПОНЕНТЫ И РЕМКОМПЛЕКТЫ

Схема запчастей Komatsu PC800-8K - ОСНОВН. КЛАПАН (5-СЕКЦИОНН.) (/) Y ОСНОВН. КОМПОНЕНТЫ И РЕМКОМПЛЕКТЫ
1
2
3
3
4
4
5
5
5
5
5
5
6
6
7
7
8
8
8
9
10
10
10
11
12
12
12
13
14
15
15
15
16
17
18
19
20
20
21
22
23
24
25
26
27
28
29
FIT
1:1
100%

Артикул

Название

Примечание

Количество

|1

709-15-94200

CONTROL VALVE

|1

BODY GROUP ASSEMBLY

1

BLOCK

2

709-14-11820

PLATE

3

709-12-11411

VALVE,CHECK

4

709-12-11430

SPRING

5

07000-13048

O-RING

6

709-12-12440

PLATE

7

01010-81250

BOLT

8

01643-51232

WASHER

9

709-14-11750

PISTON

10

709-14-11760

SEAL

11

709-14-12280

POPPET

12

709-14-11771

POPPET

13

709-14-11850

POPPET

14

709-14-12290

POPPET

15

709-14-11790

SPRING

16

708-8E-16160

PLUG

17

07002-11023

O-RING

18

01011-81210

BOLT

19

07000-12018

O-RING

20

PLUG

21

709-10-91310

SLEEVE

22

706-73-70140

VALVE,CHECK

23

706-73-70150

SPRING

24

709-74-92450

PLUG

25

709-74-92460

NUT

26

700-93-11320

O-RING

27

700-93-11330

RING,BACK-UP

28

07000-12010

O-RING

29

07001-02010

RING

Выбрано товаров: 31