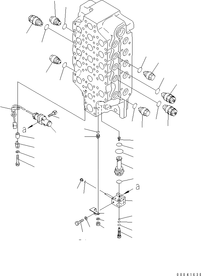
Запчасти Komatsu PC800-8K ОСНОВН. КЛАПАН (5-СЕКЦИОНН.) (/) Y ОСНОВН. КОМПОНЕНТЫ И РЕМКОМПЛЕКТЫ

Схема запчастей Komatsu PC800-8K - ОСНОВН. КЛАПАН (5-СЕКЦИОНН.) (/) Y ОСНОВН. КОМПОНЕНТЫ И РЕМКОМПЛЕКТЫ
1
1
2
2
3
4
5
5
5
5
6
6
6
6
7
8
9
9
10
11
12
13
14
15
16
17
18
19
20
21
22
23
24
25
26
27
28
29
30
31
FIT
1:1
100%

Артикул

Название

Примечание

Количество

|1

709-15-94200

CONTROL VALVE

1

709-90-71600

VALVE ASSEMBLY,SUCTION AND SAFETY

2

07002-03634

O-RING

3

709-90-71100

VALVE ASSEMBLY,SUCTION

4

07002-03634

O-RING

5

723-60-23800

VALVE ASSEMBLY,SUCTION

6

07002-13634

O-RING

|7

709-10-92400

ORIFICE ASSEMBLY

7

709-10-91370

ORIFICE

8

709-14-11660

ORIFICE

9

700-93-11320

O-RING

10

07002-13634

O-RING

11

07000-11007

O-RING

12

709-14-12450

BLOCK

13

07000-12010

O-RING

14

07000-12012

O-RING

15

709-14-12460

PLUG

16

708-8E-16160

PLUG

17

07002-11023

O-RING

18

01643-30623

WASHER

19

01580-10605

NUT

20

709-14-12470

PLUG

21

07002-11423

O-RING

22

709-14-12490

PLATE

23

01643-31032

WASHER

24

01010-81016

BOLT

25

08193-20010

CLIP

26

01010-81045

BOLT

27

6112-21-6960

SPACER

28

04434-50810

CLIP

29

01643-31032

WASHER

30

729-13-01110

SENSOR ASSEMBLY

31

01252-60835

BOLT

Выбрано товаров: 33