Запчасти Komatsu PC800-8R СОЛЕНОИДНЫЙ КЛАПАН (КЛАПАН) ГИДРАВЛИКА

Схема запчастей Komatsu PC800-8R - СОЛЕНОИДНЫЙ КЛАПАН (КЛАПАН) ГИДРАВЛИКА
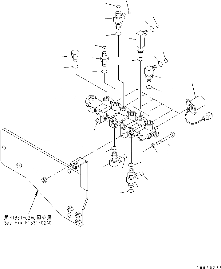
1
2
3
4
5
6
7
8
9
10
10
10
10
10
11
11
11
12
13
14
14
15
15
16
17
17
18
19
FIT
1:1
100%

Артикул

Название

Примечание

Количество

1

20Y-62-22271

ELBOW

2

201-60-11390

O-RING

3

20Y-62-19560

O-RING

4

14X-43-14840

ELBOW

5

201-60-11390

O-RING

6

20Y-62-19560

O-RING

7

21N-64-36680

TEE

8

02781-0031D

UNION

9

07040-11409

PLUG

10

07002-11423

O-RING

11

02896-11009

O-RING

12

21N-64-37410

ELBOW

13

209-64-16281

TEE

14

07002-12034

O-RING

15

02896-11012

O-RING

16

02896-11009

O-RING

17

209-60-41310

SOLENOID ASS'Y,(SEE FIG. Y1860-01A0)

18

01010-81090

BOLT

19

01643-31032

WASHER

Выбрано товаров: 19