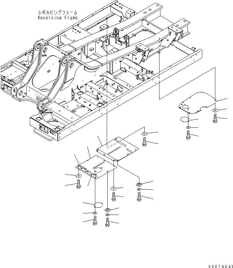
Запчасти Komatsu PC800-8R НИЖН. КРЫШКА (УСИЛ.) (ОСНОВНАЯ РАМА) (ЦЕНТР. И ПРАВ.)(№-) ЧАСТИ КОРПУСА

Схема запчастей Komatsu PC800-8R - НИЖН. КРЫШКА (УСИЛ.) (ОСНОВНАЯ РАМА) (ЦЕНТР. И ПРАВ.)(№-) ЧАСТИ КОРПУСА
1
2
3
4
5
6
7
8
9
10
10
11
11
12
13
14
15
16
17
18
19
20
21
22
23
FIT
1:1
100%

Артикул

Название

Примечание

Количество

1

209-54-42571

COVER

2

01010-81230

BOLT

3

175-54-34170

WASHER

4

207-54-51440

PLATE

5

01010-81230

BOLT

6

01643-31232

WASHER

7

209-54-41471

COVER

8

209-54-41482

SHEET

9

209-54-41493

SHEET

10

01010-81230

BOLT

11

175-54-34170

WASHER

12

01010-81230

BOLT

13

01643-31232

WASHER

14

208-54-57181

COLLAR

15

209-54-41750

COVER

16

01010-81230

BOLT

17

175-54-34170

WASHER

18

01010-81230

BOLT

19

01643-31232

WASHER

20

208-54-57181

COLLAR

21

207-54-51440

PLATE

22

01010-81230

BOLT

23

01643-31232

WASHER

Выбрано товаров: 23