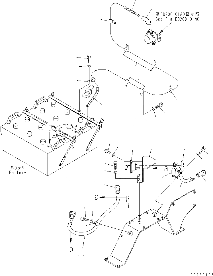
Запчасти Komatsu PC800-8R ПРОВОДКА (АККУМУЛЯТОРН. ОТСЕК) (АККУМУЛЯТОР DISCONNECT ПЕРЕКЛЮЧАТЕЛЬ)(№8-) ЭЛЕКТРИКА

Схема запчастей Komatsu PC800-8R - ПРОВОДКА (АККУМУЛЯТОРН. ОТСЕК) (АККУМУЛЯТОР DISCONNECT ПЕРЕКЛЮЧАТЕЛЬ)(№8-) ЭЛЕКТРИКА
1
2
3
4
4
4
5
5
6
7
8
9
10
10
10
11
12
13
14
15
16
17
18
18
18
19
20
21
22
23
FIT
1:1
100%

Артикул

Название

Примечание

Количество

1

08028-EE045

CABLE

2

01010-81016

BOLT

3

01643-31032

WASHER

4

08038-00035

CAP

5

08028-CE250

CABLE

6

08038-00035

CAP

7

04434-52312

CLIP

8

01010-81225

BOLT

9

01643-31232

WASHER

10

04434-52312

CLIP

11

04434-52310

CLIP

12

01010-81020

BOLT

13

01643-31032

WASHER

14

08028-EE070

CABLE

15

209-06-45280

BRACKET

16

01010-81225

BOLT

17

01643-31232

WASHER

18

08068-00001

SWITCH

19

01245-00825

SCREW

20

01643-70823

WASHER

21

04434-52312

CLIP

22

01010-81225

BOLT

23

01643-31232

WASHER

Выбрано товаров: 0