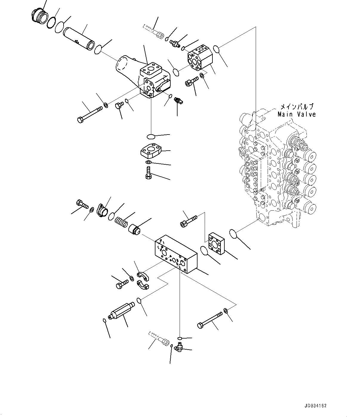
Запчасти Komatsu PC800-8R1 УПРАВЛЯЮЩ. КЛАПАН, КЛАПАН КОНТРОЛЯ ПОДЪЕМА И ПРОХОДНОЙ ФИЛЬТР (/) (№7-) УПРАВЛЯЮЩ. КЛАПАН, ДЛЯ ПРЯМАЯ ЛОПАТА CONFIGURATION

Схема запчастей Komatsu PC800-8R1 - УПРАВЛЯЮЩ. КЛАПАН, КЛАПАН КОНТРОЛЯ ПОДЪЕМА И ПРОХОДНОЙ ФИЛЬТР (/) (№7-) УПРАВЛЯЮЩ. КЛАПАН, ДЛЯ ПРЯМАЯ ЛОПАТА CONFIGURATION
15
33
23
25
24
27
26
28
34
35
32
31
30
29
37
36
8
11
1
4
5
9
6
10
7
18
21
22
20
17
13
12
14
2
3
19
16
38
39
43
42
44
45
46
40
41
47
48
FIT
1:1
100%

Артикул

Название

Примечание

Количество

1

209-62-66210

Flange

2

07000-B2060

O-ring

3

01252-71240

Bolt, Hexagon Socket Head

3

209-60-76501

Valve Assembly

4

01010-81030

Bolt

5

01643-31032

Washer

6

07000-13042

O-ring

7

209-60-52120

Poppet

8

Body

9

209-60-76530

Flange

10

706-77-72250

Spring

11

07000-B2060

O-ring

12

01011-81210

Bolt

13

01643-31232

Washer

14

421-09-31210

Elbow

15

07002-63334

O-ring

16

207-62-64740

O-ring

17

209-64-16320

Union

18

07002-63334

O-ring

19

207-62-64740

O-ring

20

07371-31255

Flange, Split

21

07372-21035

Bolt

22

01643-51032

Washer

|$23

209-60-79100

Filter Assembly

23

Case

24

21N-62-31221

Element

25

21N-62-31230

Cover

26

07000-12055

O-ring

27

07000-12070

O-ring

28

07001-02070

Ring, Back-up

29

07002-11423

O-ring

30

07040-11409

Plug

31

07000-B3048

O-ring

32

21N-62-12210

Plate

33

07000-B3048

O-ring

34

01010-81455

Bolt

35

01643-31445

Washer, Flat

36

01011-81470

Bolt

37

01643-31445

Washer, Flat

38

7861-93-1812

Sensor, Pressure

39

07002-61823

O-ring

40

209-60-76331

Block

41

07000-B3048

O-ring

42

01253-71400

Bolt, Hexagon Socket Head

43

20D-14-11510

Washer

44

02781-0031D

Nipple

45

07002-61423

O-ring

46

02896-61009

O-ring

47

209-62-42291

Hose

48

209-64-16330

Hose

Выбрано товаров: 50