Запчасти Komatsu PC800-8R1 НАВЕСН. ОБОРУД ПРОПОРЦИОНАЛЬН. PRESSURE УПРАВЛ-Е (PPC) ТРУБЫ, СОЛЕНОИДНЫЙ КЛАПАН КОМПОНЕНТЫ (№7-) НАВЕСН. ОБОРУД ПРОПОРЦИОНАЛЬН. PRESSURE УПРАВЛ-Е (PPC) ТРУБЫ, ПРЯМАЯ ЛОПАТА CONFIGURATION

Схема запчастей Komatsu PC800-8R1 - НАВЕСН. ОБОРУД ПРОПОРЦИОНАЛЬН. PRESSURE УПРАВЛ-Е (PPC) ТРУБЫ, СОЛЕНОИДНЫЙ КЛАПАН КОМПОНЕНТЫ (№7-) НАВЕСН. ОБОРУД ПРОПОРЦИОНАЛЬН. PRESSURE УПРАВЛ-Е (PPC) ТРУБЫ, ПРЯМАЯ ЛОПАТА CONFIGURATION
1
2
3
4
5
6
7
8
1
2
3
1
2
3
FIT
1:1
100%

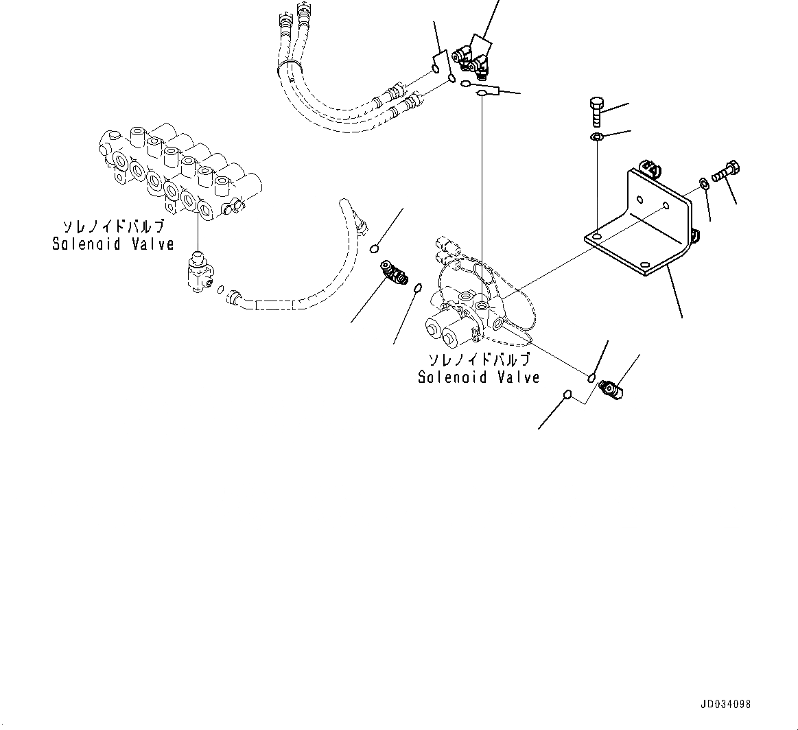
Артикул

Название

Примечание

Количество

1

02782-10311

Elbow

2

07002-11423

O-ring

3

02896-11009

O-ring

4

209-62-45140

Bracket

5

01010-81025

Bolt

6

01643-31032

Washer

7

01010-81230

Bolt

8

01643-31232

Washer

Выбрано товаров: 8