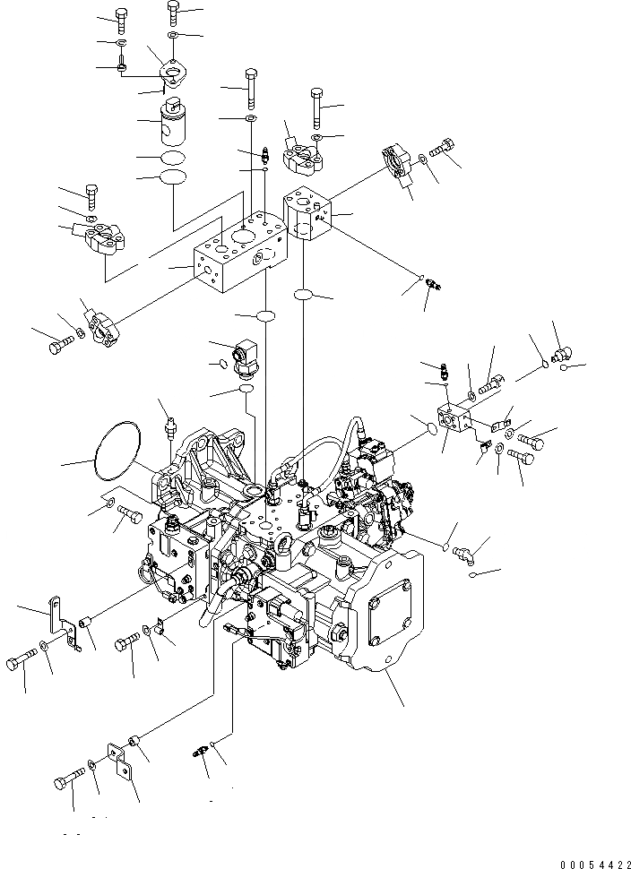
Запчасти Komatsu PC800LC-8 ОСНОВН. НАСОС (СОЕДИНИТ. ЧАСТИ) (ДЛЯ ПРОТИВОВЕС REMOVER)(№-) ГИДРАВЛИКА

Схема запчастей Komatsu PC800LC-8 - ОСНОВН. НАСОС (СОЕДИНИТ. ЧАСТИ) (ДЛЯ ПРОТИВОВЕС REMOVER)(№-) ГИДРАВЛИКА
1
2
3
4
5
6
7
8
9
10
11
12
13
14
15
16
17
18
19
20
21
22
23
24
25
26
26
27
27
28
28
29
29
29
30
30
31
32
33
33
33
33
34
35
36
37
38
39
40
41
42
43
44
45
45
46
46
47
48
49
50
51
52
53
54
55
56
57
58
59
60
FIT
1:1
100%

Артикул

Название

Примечание

Количество

1

708-2K-00113

PUMP ASS'Y

1

708-2K-00112

PUMP ASS'Y

1

708-2K-00111

PUMP ASS'Y

1

708-2K-00110

PUMP ASS'Y

2

209-62-41481

ELBOW

3

07002-64234

O-RING

4

207-62-64740

O-RING

5

6138-55-7610

NIPPLE

6

799-101-5220

NIPPLE

7

07002-61023

O-RING

8

02782-10628

ELBOW

9

07002-62434

O-RING

10

02896-61018

O-RING

11

02782-10628

ELBOW

12

07002-62434

O-RING

13

02896-61018

O-RING

14

209-62-41210

BLOCK

|$22

209-62-42752

VALVE

|$23

209-62-42751

VALVE

15

BLOCK

16

209-62-42771

SHAFT

17

209-62-42930

PIN

18

209-62-42962

FLANGE

18

209-62-42961

FLANGE

19

01010-81235

BOLT

20

01643-31232

WASHER

21

01010-81245

BOLT

22

01643-31232

WASHER

23

04025-00420

PIN

24

07000-B2065

O-RING

25

07000-B2070

O-RING

26

07000-B3050

O-RING

27

799-101-5220

NIPPLE

28

07002-61023

O-RING

29

07371-51470

FLANGE

30

01010-81455

BOLT

31

209-62-41270

BOLT

32

209-62-43150

BOLT

33

01643-31445

WASHER

34

07371-51260

FLANGE

35

01010-81245

BOLT

36

01643-31232

WASHER

37

209-62-41412

BLOCK

38

07000-B3035

O-RING

39

01252-71050

BOLT

40

01643-51032

WASHER

41

799-101-5220

NIPPLE

42

07002-61023

O-RING

43

08193-20010

CLIP

44

04434-51010

CLIP

45

01010-81020

BOLT

46

01643-31032

WASHER

47

07000-E5185

O-RING

48

01010-82470

BOLT

49

01643-32460

WASHER

50

209-62-42791

BRACKET

51

01010-81050

BOLT

52

01643-31032

WASHER

53

6167-21-5910

SPACER

54

209-62-42850

BRACKET

55

195-33-11220

SPACER

56

01010-81050

BOLT

57

01643-31032

WASHER

58

04434-51012

CLIP

59

01010-81220

BOLT

60

01643-31232

WASHER

Выбрано товаров: 66