Запчасти Komatsu PC800LC-8 ОСНОВН. НАСОС (СОЕДИНИТ. ЧАСТИ) (ДЛЯ ПРОТИВОВЕС REMOVER)(№-) ГИДРАВЛИКА

Схема запчастей Komatsu PC800LC-8 - ОСНОВН. НАСОС (СОЕДИНИТ. ЧАСТИ) (ДЛЯ ПРОТИВОВЕС REMOVER)(№-) ГИДРАВЛИКА
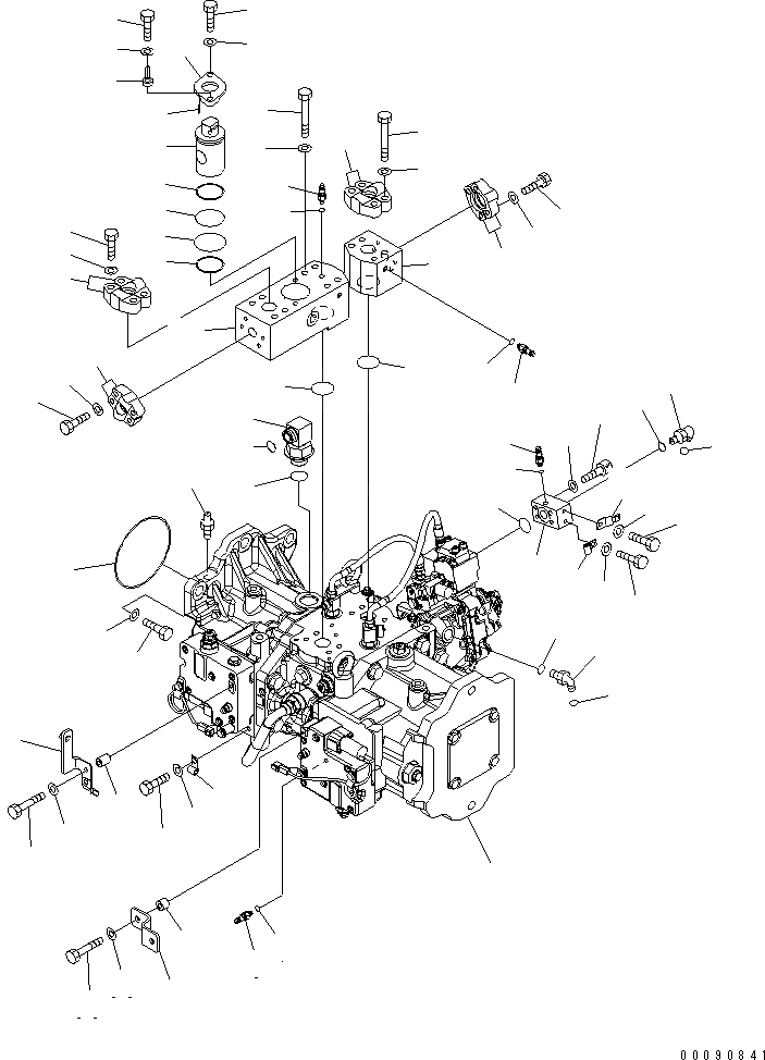
1
2
3
4
5
6
7
8
9
10
11
12
13
14
15
16
17
18
19
20
21
22
23
24
25
26
27
28
28
29
29
30
30
31
31
31
32
32
33
34
35
35
35
35
36
37
38
39
40
41
42
43
44
45
46
47
47
48
48
49
50
51
52
53
54
55
56
57
58
59
60
61
62
FIT
1:1
100%

Артикул

Название

Примечание

Количество

1

708-2K-00113

PUMP ASS'Y

2

209-62-41481

ELBOW

3

07002-64234

O-RING

4

207-62-64740

O-RING

5

6138-55-7610

NIPPLE

6

799-101-5220

NIPPLE

7

07002-61023

O-RING

8

02782-10628

ELBOW

9

07002-62434

O-RING

10

02896-61018

O-RING

11

02782-10628

ELBOW

12

07002-62434

O-RING

13

02896-61018

O-RING

14

209-62-41210

BLOCK

|$19

209-62-42753

VALVE

15

BLOCK

16

209-62-42772

SHAFT

17

209-62-42930

PIN

18

209-62-42962

FLANGE

19

01010-81235

BOLT

20

01643-31232

WASHER

21

01010-81245

BOLT

22

01643-31232

WASHER

23

04025-00420

PIN

24

07000-B5060

O-RING

25

07000-B5070

O-RING

26

07001-05060

RING

27

07001-05070

RING

28

07000-B3050

O-RING

29

799-101-5220

NIPPLE

30

07002-61023

O-RING

31

07371-51470

FLANGE

32

01010-81455

BOLT

33

209-62-41270

BOLT

34

209-62-43150

BOLT

35

01643-31445

WASHER

36

07371-51260

FLANGE

37

01010-81245

BOLT

38

01643-31232

WASHER

39

209-62-41412

BLOCK

40

07000-B3035

O-RING

41

01252-71050

BOLT

42

01643-51032

WASHER

43

799-101-5220

NIPPLE

44

07002-61023

O-RING

45

08193-20010

CLIP

46

04434-51010

CLIP

47

01010-81020

BOLT

48

01643-31032

WASHER

49

07000-E5185

O-RING

50

01010-82470

BOLT

51

01643-32460

WASHER

52

209-62-42791

BRACKET

53

01010-81050

BOLT

54

01643-31032

WASHER

55

6167-21-5910

SPACER

56

209-62-42850

BRACKET

57

195-33-11220

SPACER

58

01010-81050

BOLT

59

01643-31032

WASHER

60

04434-51012

CLIP

61

01010-81220

BOLT

62

01643-31232

WASHER

Выбрано товаров: 63