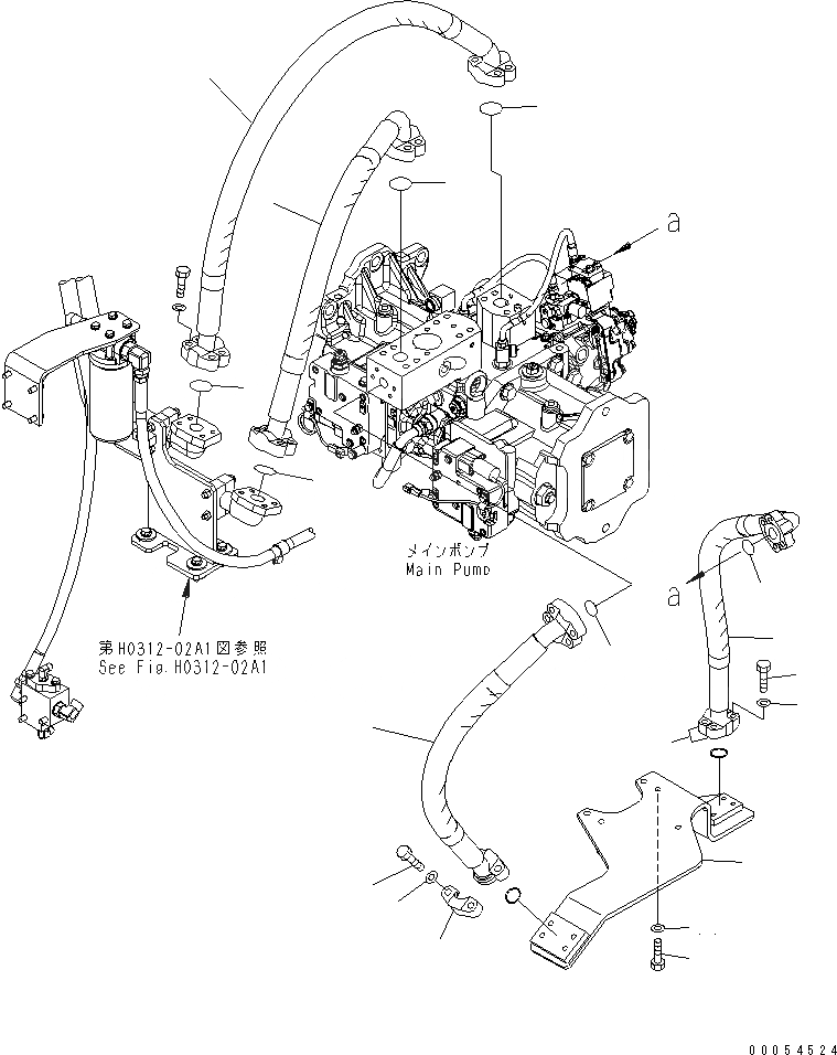
Запчасти Komatsu PC800LC-8 ПОДАЮЩ. ТРУБЫ (ШЛАНГИ) (ДЛЯ ПРОТИВОВЕС REMOVER) ГИДРАВЛИКА

Схема запчастей Komatsu PC800LC-8 - ПОДАЮЩ. ТРУБЫ (ШЛАНГИ) (ДЛЯ ПРОТИВОВЕС REMOVER) ГИДРАВЛИКА
1
2
2
3
4
4
5
6
7
8
9
10
11
12
13
14
15
16
17
FIT
1:1
100%

Артикул

Название

Примечание

Количество

1

07083-01416

HOSE

2

07000-B3048

O-RING

3

209-62-42990

HOSE

4

07000-B3048

O-RING

5

209-62-43160

HOSE

6

209-62-41320

HOSE, 1000MM

7

07000-B3038

O-RING

8

07000-B3048

O-RING

9

07371-51260

FLANGE

10

07371-51470

FLANGE

11

01010-81250

BOLT

12

01643-31232

WASHER

13

01010-81460

BOLT

14

01643-31445

WASHER

15

209-62-43130

BRACKET

16

01010-81235

BOLT

17

01643-31232

WASHER

Выбрано товаров: 17