Запчасти Komatsu PC800LC-8E0 КАБИНА, ПОЛ, РЫЧАГ, ПРАВ. (/) (№-) КАБИНА, EOPS КАБИНА, КАРЬЕРН, ЗАЩИТА ОТ ВАНДАЛИЗМА, С ОКНА ДВОРНИКИ, ПЕРЕДН., KOMTRAX

Схема запчастей Komatsu PC800LC-8E0 - КАБИНА, ПОЛ, РЫЧАГ, ПРАВ. (/) (№-) КАБИНА, EOPS КАБИНА, КАРЬЕРН, ЗАЩИТА ОТ ВАНДАЛИЗМА, С ОКНА ДВОРНИКИ, ПЕРЕДН., KOMTRAX
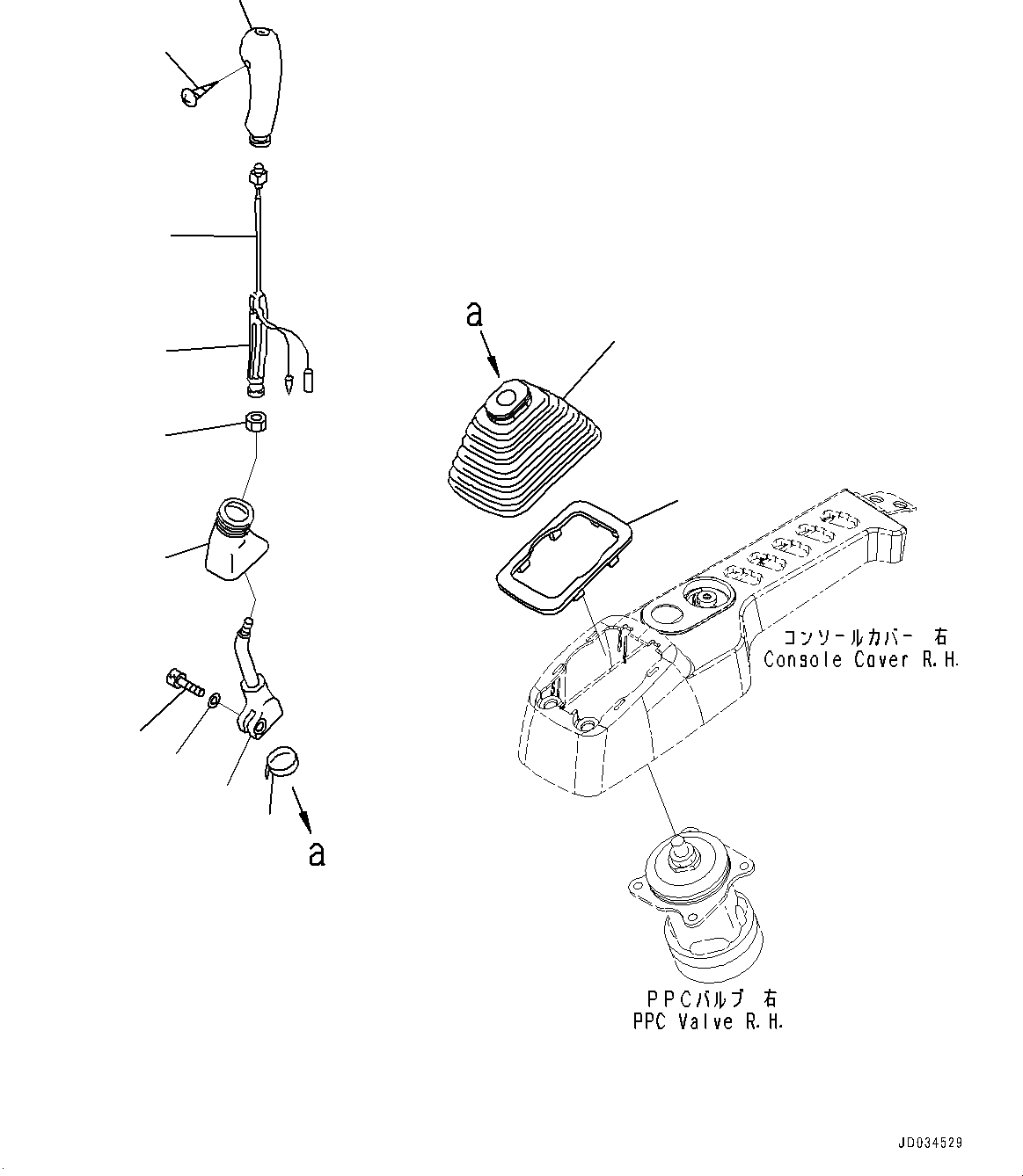
1
2
3
4
5
6
7
8
9
10
11
12
FIT
1:1
100%

Артикул

Название

Примечание

Количество

1

20Y-43-22221

Lever

|$1

22U-43-21192

Knob

2

Screw

3

20Y-43-22390

Knob

4

20Y-43-22421

Insert

5

22U-43-21211

Switch

6

20Y-43-22250

Plate

7

20Y-43-22261

Boot

8

20Y-43-22370

Boot

9

600-411-1280

Nut

10

01252-41025

Bolt

11

01643-51032

Washer

12

08034-20536

Band

Выбрано товаров: 13