Запчасти Komatsu PC800LC-8E0 ПОДАЮЩ. ТРУБЫ, ШЛАНГИ (№-) ПОДАЮЩ. ТРУБЫ, ПРОТИВОВЕС REMOVER

Схема запчастей Komatsu PC800LC-8E0 - ПОДАЮЩ. ТРУБЫ, ШЛАНГИ (№-) ПОДАЮЩ. ТРУБЫ, ПРОТИВОВЕС REMOVER
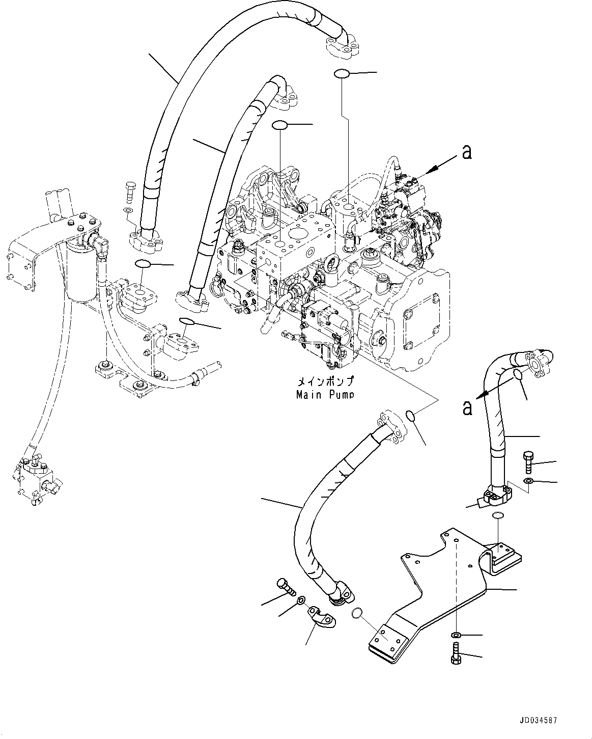
1
2
4
6
7
9
13
14
15
16
17
2
3
4
10
11
12
8
5
FIT
1:1
100%

Артикул

Название

Примечание

Количество

1

07083-01416

Hose, Flange Type

2

07000-B3048

O-ring

3

209-62-42990

Hose

4

07000-B3048

O-ring

5

209-62-43160

Hose

6

209-62-41320

Hose

7

07000-B3038

O-ring

8

07000-B3048

O-ring

9

07371-51260

Flange, Split

10

07371-51470

Flange, Split

11

01010-81250

Bolt

12

01643-31232

Washer

13

01010-81460

Bolt

14

01643-31445

Washer, Flat

15

209-62-43130

Bracket

16

01010-81235

Bolt

17

01643-31232

Washer

Выбрано товаров: 17