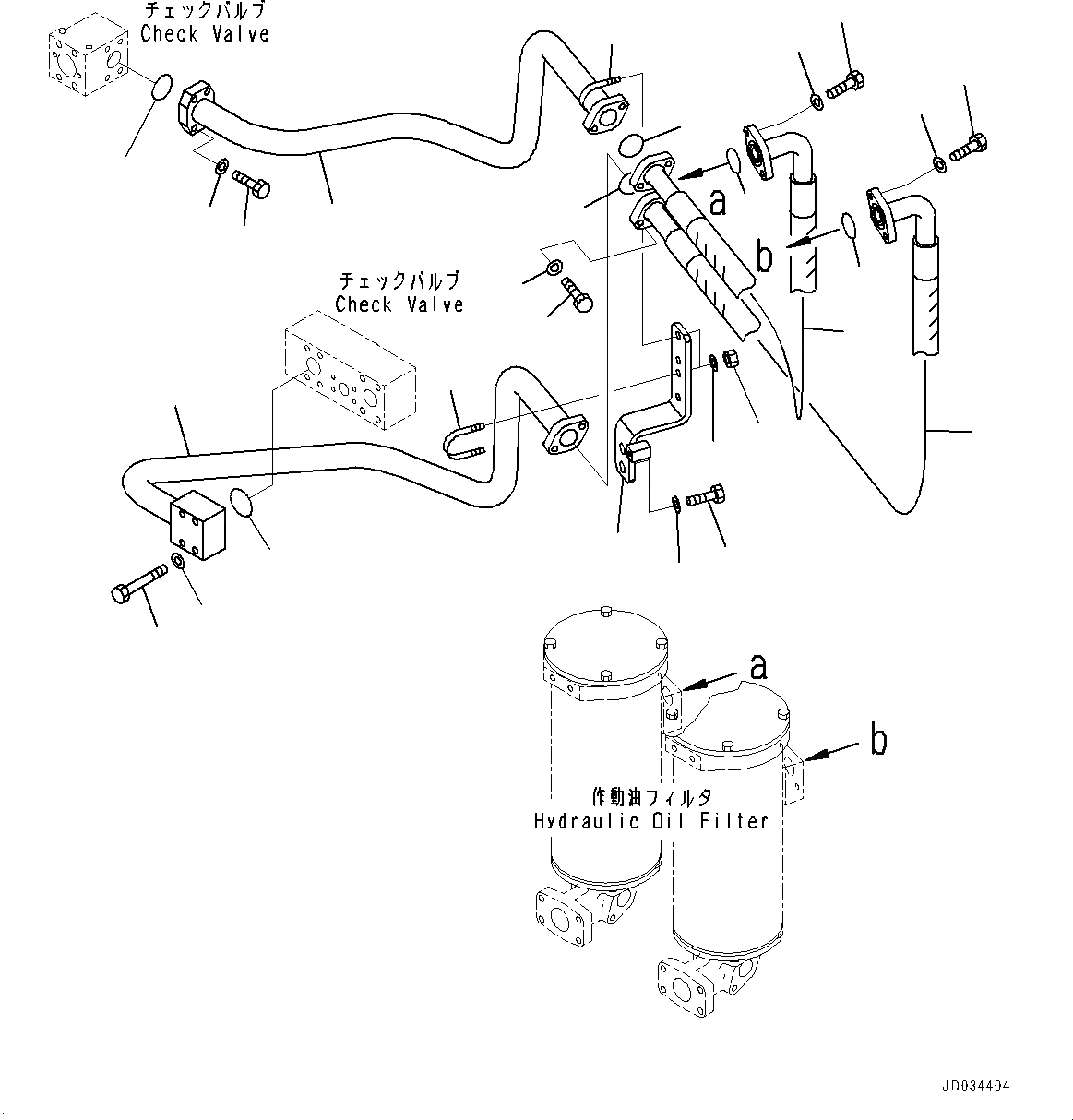
Запчасти Komatsu PC800LC-8E0 ВОЗВРАТ. ТРУБЫ (№-) ВОЗВРАТ. ТРУБЫ

Схема запчастей Komatsu PC800LC-8E0 - ВОЗВРАТ. ТРУБЫ (№-) ВОЗВРАТ. ТРУБЫ
11
10
9
8
7
6
5
4
3
2
1
12
13
14
15
16
17
18
19
19
17
17
18
12
17
19
18
FIT
1:1
100%

Артикул

Название

Примечание

Количество

1

209-62-73581

Tube

2

07000-B2055

O-ring

3

01010-81280

Bolt

4

01643-31232

Washer

5

209-62-73591

Tube

6

07000-B3048

O-ring

7

07372-21245

Bolt

8

01643-51232

Washer

9

209-64-16811

Bracket

10

01010-81235

Bolt

11

175-54-34170

Washer

12

07283-34957

Clip

13

01597-01009

Nut

14

01643-31032

Washer

15

209-62-73630

Hose

16

209-62-41790

Hose

17

07000-B3048

O-ring

18

01010-81240

Bolt

19

01643-31232

Washer

Выбрано товаров: 19