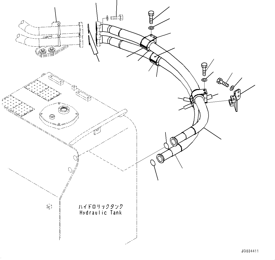
Запчасти Komatsu PC800LC-8E0 ЛИНИИ МАСЛООХЛАДИТЕЛЯ ЛИНИИ МАСЛООХЛАДИТЕЛЯ

Схема запчастей Komatsu PC800LC-8E0 - ЛИНИИ МАСЛООХЛАДИТЕЛЯ ЛИНИИ МАСЛООХЛАДИТЕЛЯ
11
12
13
9
10
7
7
7
7
3
8
8
7
3
8
3
2
1
9
10
7
5
6
4
FIT
1:1
100%

Артикул

Название

Примечание

Количество

1

209-62-45570

Hose

2

209-62-45560

Hose

3

07000-B2060

O-Ring

4

209-62-41550

Bracket

5

01010-81230

Bolt

6

01643-31232

Washer

7

209-62-78930

Clamp

8

07095-02062

Cushion

9

01011-81210

Bolt

10

01643-31232

Washer

11

209-62-41541

Bracket

12

07371-32076

Flange, Split

13

07372-21240

Bolt

Выбрано товаров: 13