Запчасти Komatsu PC800LC-8E0 (HBV) ГЛАВН. ТРУБЫ, ОСНОВНАЯ РАМА(HBV) ГЛАВН. ТРУБЫ

Схема запчастей Komatsu PC800LC-8E0 - (HBV) ГЛАВН. ТРУБЫ, ОСНОВНАЯ РАМА (HBV) ГЛАВН. ТРУБЫ
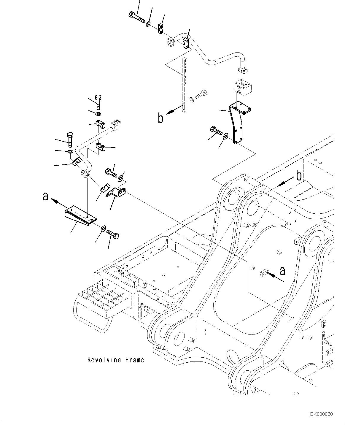
16
17
18
18
13
14
15
8
9
7
1
4
4
6
5
11
12
10
10
2
3
FIT
1:1
100%

Артикул

Название

Примечание

Количество

1

209-64-12760

Bracket

2

01010-81230

Bolt

3

175-54-34170

Washer

4

209-62-58750

Clamp

5

01011-81205

Bolt

6

01643-31232

Washer

7

209-64-12310

Bracket

8

01010-81230

Bolt

9

175-54-34170

Washer

10

209-62-58750

Clamp

11

01011-81205

Bolt

12

01643-31232

Washer

13

209-62-43370

Bracket

14

01010-81235

Bolt

15

175-54-34170

Washer

16

01010-81295

Bolt

17

01643-31232

Washer

18

209-62-58750

Clamp

Выбрано товаров: 0