Запчасти Komatsu PC800LC-8R ОСНОВН. НАСОС (/)(№-) ОСНОВН. КОМПОНЕНТЫ И РЕМКОМПЛЕКТЫ

Схема запчастей Komatsu PC800LC-8R - ОСНОВН. НАСОС (/)(№-) ОСНОВН. КОМПОНЕНТЫ И РЕМКОМПЛЕКТЫ
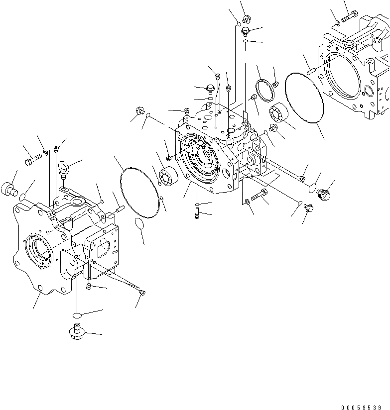
1
2
2
2
3
3
3
4
5
6
7
8
9
10
11
12
12
12
12
13
14
14
15
15
16
16
17
17
18
18
18
19
19
19
20
21
22
23
24
24
24
24
24
25
25
25
25
25
26
27
FIT
1:1
100%

Артикул

Название

Примечание

Количество

|$1

708-2K-00113

PUMP ASS'Y

|$4

708-2K-01115

PUMP SUB ASS'Y

|$5

708-2K-04330

CASE ASS'Y,FRONT

1

CASE,FRONT

2

PLUG

3

708-2K-11170

O-RING

4

708-2K-11190

O-RING

5

07040-14220

PLUG

6

07002-64234

O-RING

7

07044-13620

PLUG

8

07002-63634

O-RING

9

04530-12030

BOLT

10

708-2K-11290

ORIFICE

|$16

708-2K-04350

CAP ASS'Y,END

11

CAP,END

12

PLUG

13

708-2K-11720

BUSHING

14

708-2K-11290

ORIFICE

15

708-2K-12280

BEARING

16

07000-A5260

O-RING

17

04020-01638

PIN,DOWEL

18

01010-62275

BOLT

19

01643-32260

WASHER

20

708-8E-16150

PLUG

21

07002-61023

O-RING

22

706-77-72150

PLUG

23

07002-64234

O-RING

24

706-73-71450

PLUG

25

07002-61423

O-RING

26

708-2K-13160

PLUG

27

07002-61423

O-RING

Выбрано товаров: 31