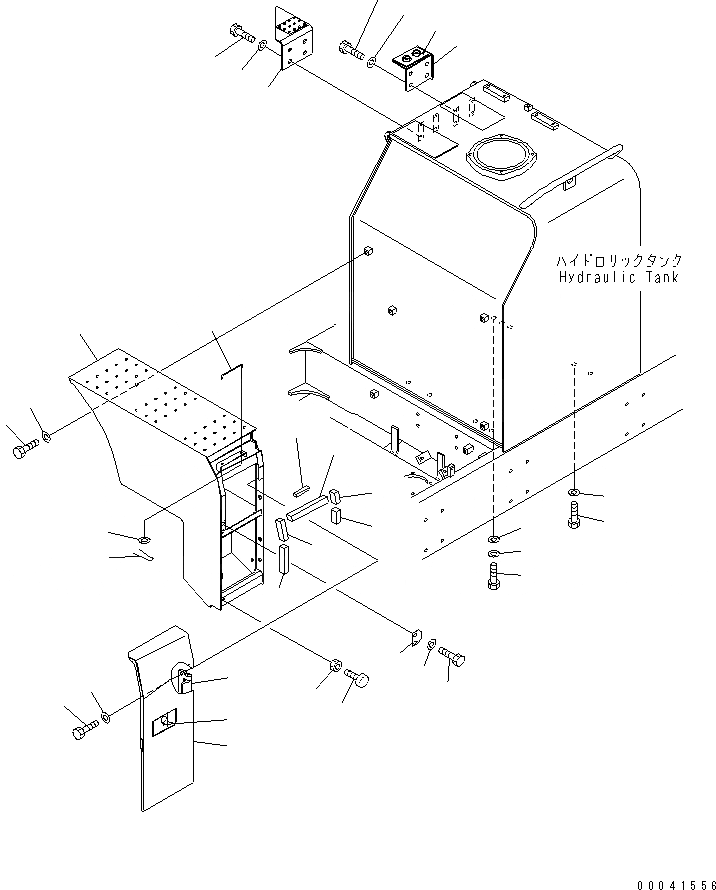
Запчасти Komatsu PC800LC-8R ГИДР. БАК. (ПЕРЕГОРОДКА.) ГИДРАВЛИКА

Схема запчастей Komatsu PC800LC-8R - ГИДР. БАК. (ПЕРЕГОРОДКА.) ГИДРАВЛИКА
1
2
3
4
5
6
7
8
9
10
11
12
13
14
15
16
17
18
19
20
21
22
23
24
25
26
27
28
29
30
31
32
33
34
FIT
1:1
100%

Артикул

Название

Примечание

Количество

1

21M-54-21690

COVER

2

198-54-41982

LOCK ASS'Y (WELDED)

3

21M-54-11220

HINGE (WELDED)

4

01010-81230

BOLT

5

01643-31232

WASHER

6

209-54-43310

CASE

7

209-53-13540

SHEET

8

209-53-13550

SHEET

9

209-53-13560

SHEET

10

209-53-13570

SHEET

11

209-53-13580

SHEET

12

209-54-43320

SHEET

13

20Y-54-11611

STOPPER

14

01580-11008

NUT

15

21M-54-11771

PLATE

16

01010-81230

BOLT

17

01643-31232

WASHER

18

175-43-41261

ROD

19

01643-30623

WASHER

20

04050-11612

PIN

21

01010-81230

BOLT

22

01643-31232

WASHER

23

209-53-11240

BRACKET

24

209-53-11250

SHEET

25

01010-81230

BOLT

26

01643-31232

WASHER

27

209-54-43520

BRACKET

28

01010-81225

BOLT

29

01643-31232

WASHER

30

01010-82050

BOLT

31

01643-32060

WASHER

32

21T-01-11130

WASHER

33

01010-82070

BOLT

34

01643-32060

WASHER

Выбрано товаров: 34