Запчасти Komatsu PC800SE-6-AM РУКОЯТЬ (.9M) (СМАЗКА) (ДЛЯ ЭКСКАВАТ.)(№-) РАБОЧЕЕ ОБОРУДОВАНИЕ

Схема запчастей Komatsu PC800SE-6-AM - РУКОЯТЬ (.9M) (СМАЗКА) (ДЛЯ ЭКСКАВАТ.)(№-) РАБОЧЕЕ ОБОРУДОВАНИЕ
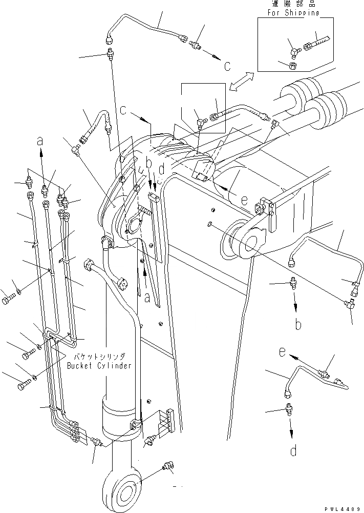
1
2
3
4
5
6
7
8
8
8
8
8
8
9
10
11
11
12
13
13
14
14
15
16
17
18
19
20
21
22
23
23
23
24
24
25
25
26
26
27
28
FIT
1:1
100%

Артикул

Название

Примечание

Количество

1

07020-00900

FITTING

2

07214-51013

CONNECTOR

3

209-70-75761

TUBE

4

209-70-75771

TUBE

5

07217-51013

ELBOW

6

209-70-75721

TUBE

7

209-70-75950

TUBE

8

07214-51013

CONNECTOR

9

209-70-75651

TUBE

10

209-70-75960

TUBE

11

07214-51013

CONNECTOR

12

20G-68-12930

ELBOW

13

421-70-13132

HOSE

14

205-70-51380

ELBOW

15

209-70-75621

TUBE

16

07214-51013

CONNECTOR

17

205-70-51370

HOSE

18

205-70-51380

ELBOW

19

203-06-53730

CLIP

20

04434-51010

CLIP

21

01010-81020

BOLT

22

01643-31032

WASHER

23

04434-51010

CLIP

24

04435-51010

CLIP

25

01010-81020

BOLT

26

01643-31032

WASHER

27

07020-00900

FITTING

28

209-98-51110

PLUG

Выбрано товаров: 28