Запчасти Komatsu PC800SE-6 МОТОР ПОВОРОТА (ЗАДН.) (С СЕРВИСНЫМ КЛАПАНОМ)(№-) ПОВОРОТН. КРУГ И КОМПОНЕНТЫ

Схема запчастей Komatsu PC800SE-6 - МОТОР ПОВОРОТА (ЗАДН.) (С СЕРВИСНЫМ КЛАПАНОМ)(№-) ПОВОРОТН. КРУГ И КОМПОНЕНТЫ
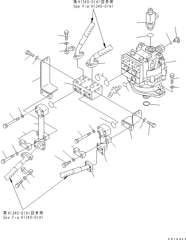
1
2
3
4
5
6
7
8
9
10
11
12
13
14
15
16
17
18
19
20
21
22
23
24
25
26
27
28
28
29
30
31
31
32
33
34
34
35
36
37
38
FIT
1:1
100%

Артикул

Название

Примечание

Количество

1

706-7G-01030

MOTOR ASS'Y

2

22U-26-21280

RING

3

209-64-14110

TEE

4

07002-13334

O-RING

5

07236-10522

ELBOW

6

07002-12434

O-RING

7

07235-10311

ELBOW

8

07002-11423

O-RING

9

209-60-76130

BLOCK

10

21T-09-11470

O-RING

11

209-62-73440

TUBE

12

21T-09-11470

O-RING

13

01011-81050

BOLT

14

01643-51032

WASHER

15

209-62-73430

TUBE

16

21T-09-11470

O-RING

17

01011-81050

BOLT

18

01643-51032

WASHER

19

209-62-73460

BRACKET

20

01010-81225

BOLT

21

01643-31232

WASHER

22

205-62-54460

CLAMP

23

01010-81275

BOLT

24

01643-31232

WASHER

25

209-62-73451

BRACKET

26

01010-81225

BOLT

27

01643-31232

WASHER

28

205-62-54460

CLAMP

29

01010-81275

BOLT

30

01643-31232

WASHER

31

07371-31049

FLANGE

32

07372-21035

BOLT

33

01643-51032

WASHER

34

07371-51260

FLANGE

35

01010-81245

BOLT

36

01643-31232

WASHER

37

01010-82055

BOLT

38

01643-32060

WASHER

Выбрано товаров: 38