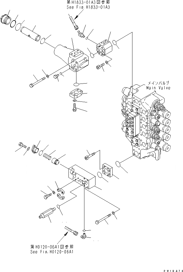
Запчасти Komatsu PC800SE-6 ОСНОВН. КЛАПАН (5-СЕКЦИОНН. КЛАПАН) (КЛАПАН КОНТРОЛЯ ПОДЪЕМА И ПРОХОДНОЙ ФИЛЬТР)(№-) ГИДРАВЛИКА

Схема запчастей Komatsu PC800SE-6 - ОСНОВН. КЛАПАН (5-СЕКЦИОНН. КЛАПАН) (КЛАПАН КОНТРОЛЯ ПОДЪЕМА И ПРОХОДНОЙ ФИЛЬТР)(№-) ГИДРАВЛИКА
1
2
3
4
5
6
7
8
9
10
11
12
13
14
15
16
17
18
19
20
21
22
23
24
25
26
27
28
29
30
31
32
33
34
35
36
37
38
39
40
41
FIT
1:1
100%

Артикул

Название

Примечание

Количество

1

209-62-66210

FLANGE

2

07000-B2060

O-RING

3

01252-71240

BOLT

|$6

209-60-76501

VALVE ASS'Y

4

01010-81030

BOLT

5

01643-31032

WASHER

6

07000-13042

O-RING

7

209-60-52120

POPPET

8

BODY

9

209-60-76530

FLANGE

10

706-77-72250

SPRING

11

07000-B2060

O-RING

12

01011-81210

BOLT

13

01643-31232

WASHER

14

07235-11034

ELBOW

15

07002-13334

O-RING

16

209-64-11920

UNION

17

07002-13334

O-RING

18

07371-31255

FLANGE

19

07372-21035

BOLT

20

01643-51032

WASHER

|$27

209-60-76300

FILTER ASS'Y

21

CASE

22

21N-62-31221

ELEMENT

23

21N-62-31230

COVER

24

07000-12055

O-RING

25

07000-12070

O-RING

26

07001-02070

RING

27

07002-11423

O-RING

28

07040-11409

PLUG

29

21T-09-11510

O-RING

30

21N-62-12210

FLANGE

31

21T-09-11510

O-RING

32

01010-81445

BOLT

33

01643-31445

WASHER

34

01011-81470

BOLT

35

01643-31445

WASHER

36

209-60-76331

BLOCK

37

21T-09-11510

O-RING

38

01253-71400

BOLT

39

20D-14-11510

WASHER

40

22X-61-18550

ELBOW

41

07002-11423

O-RING

Выбрано товаров: 43