Запчасти Komatsu PC800SE-7-M1 КЛАПАН ПОДАЮЩ. ТРУБЫ (КОВШ) ГИДРАВЛИКА

Схема запчастей Komatsu PC800SE-7-M1 - КЛАПАН ПОДАЮЩ. ТРУБЫ (КОВШ) ГИДРАВЛИКА
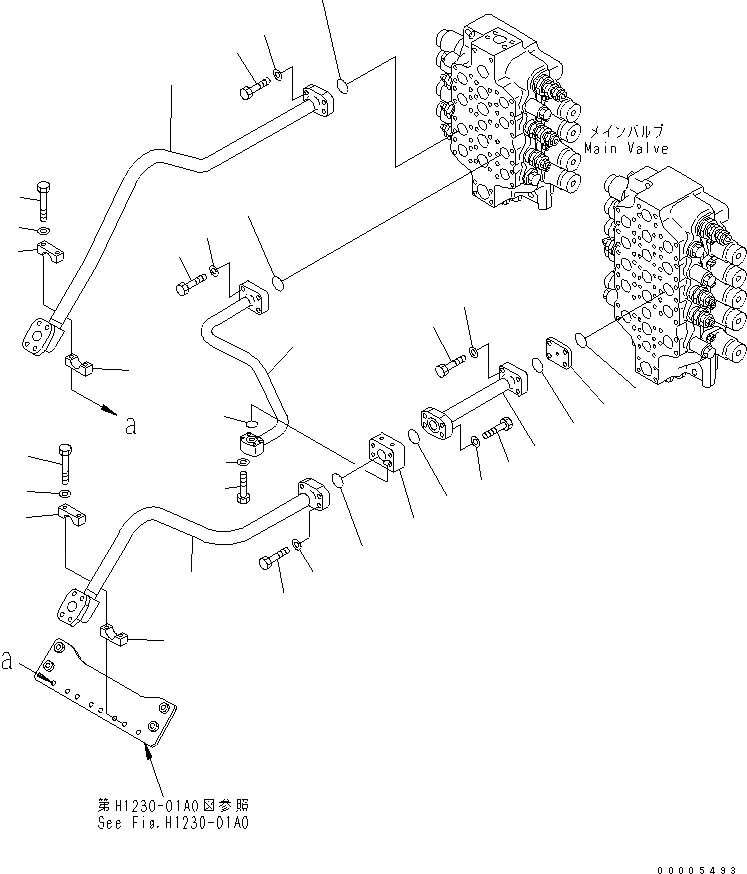
1
2
3
4
5
6
7
8
9
10
11
12
13
14
15
16
17
18
19
20
21
22
22
23
24
25
26
27
28
29
29
30
31
FIT
1:1
100%

Артикул

Название

Примечание

Количество

1

209-62-71960

PLATE

2

21T-09-11510

O-RING

3

209-62-71360

TUBE

4

01010-81470

BOLT

5

01643-31445

WASHER

6

21T-09-11510

O-RING

7

01010-81455

BOLT

8

01643-31445

WASHER

9

21T-09-11510

O-RING

10

209-62-71291

TEE

11

209-62-73270

TUBE

12

01010-81455

BOLT

13

01643-31445

WASHER

14

21T-09-11510

O-RING

15

01010-81060

BOLT

16

01643-51032

WASHER

17

21T-09-11470

O-RING

18

209-62-73280

TUBE

19

01010-81455

BOLT

20

01643-31445

WASHER

21

21T-09-11510

O-RING

22

176-61-41330

CLAMP

23

01010-81295

BOLT

24

01643-31232

WASHER

25

209-62-73290

TUBE

26

01010-81455

BOLT

27

01643-31445

WASHER

28

21T-09-11510

O-RING

29

176-61-41330

CLAMP

30

01010-81295

BOLT

31

01643-31232

WASHER

Выбрано товаров: 31