Запчасти Komatsu PC800SE-8 СОЛЕНОИДНЫЙ КЛАПАН (ПОВОРОТН. ПРИОРИТЕТН. КЛАПАН И ШЛАНГИ)(№-) ГИДРАВЛИКА

Схема запчастей Komatsu PC800SE-8 - СОЛЕНОИДНЫЙ КЛАПАН (ПОВОРОТН. ПРИОРИТЕТН. КЛАПАН И ШЛАНГИ)(№-) ГИДРАВЛИКА
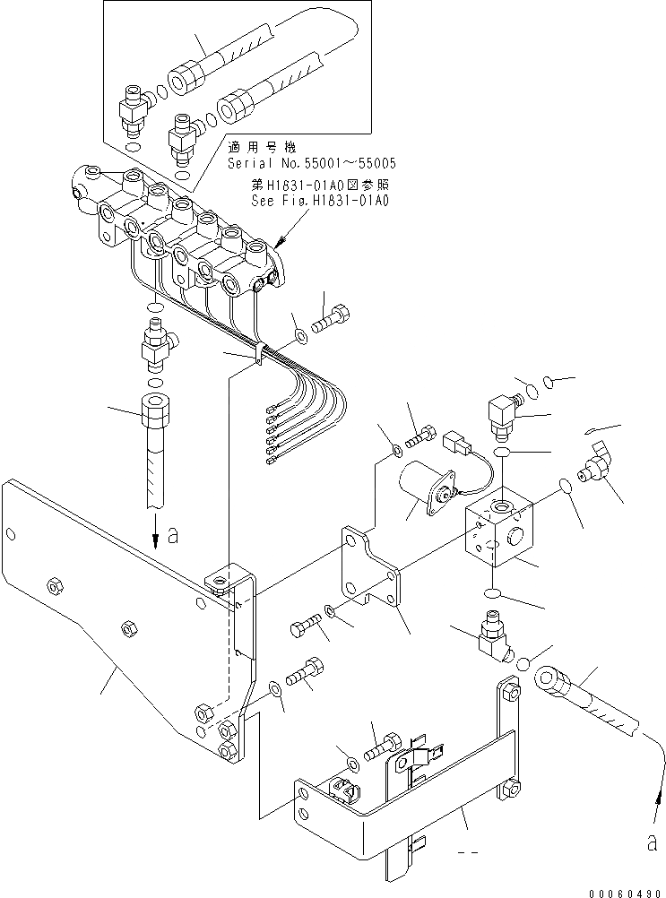
1
2
3
4
5
6
7
8
9
10
11
11
12
13
14
15
16
17
18
19
20
21
22
23
24
25
26
27
27
FIT
1:1
100%

Артикул

Название

Примечание

Количество

1

21W-62-42490

ELBOW

2

07002-11423

O-RING

3

02896-11009

O-RING

4

20Y-62-22271

ELBOW

5

201-60-11390

O-RING

6

20Y-62-19560

O-RING

7

07002-11423

O-RING

8

11Y-62-12510

ELBOW

9

07002-11423

O-RING

10

02896-11009

O-RING

11

209-60-77230

VALVE ASS'Y,(SEE FIG. Y1861-01A0)

12

209-64-11420

PLATE

13

01010-80825

BOLT

14

01643-30823

WASHER

15

01010-81225

BOLT

16

01643-31232

WASHER

17

209-62-42910

BRACKET

18

01010-81230

BOLT

19

01643-31232

WASHER

20

01010-81230

BOLT

21

01643-31232

WASHER

22

209-62-42920

BRACKET

23

04434-51312

CLIP

24

01010-81225

BOLT

25

01643-31232

WASHER

26

02760-00305

HOSE

27

02760-003A3

HOSE

Выбрано товаров: 0