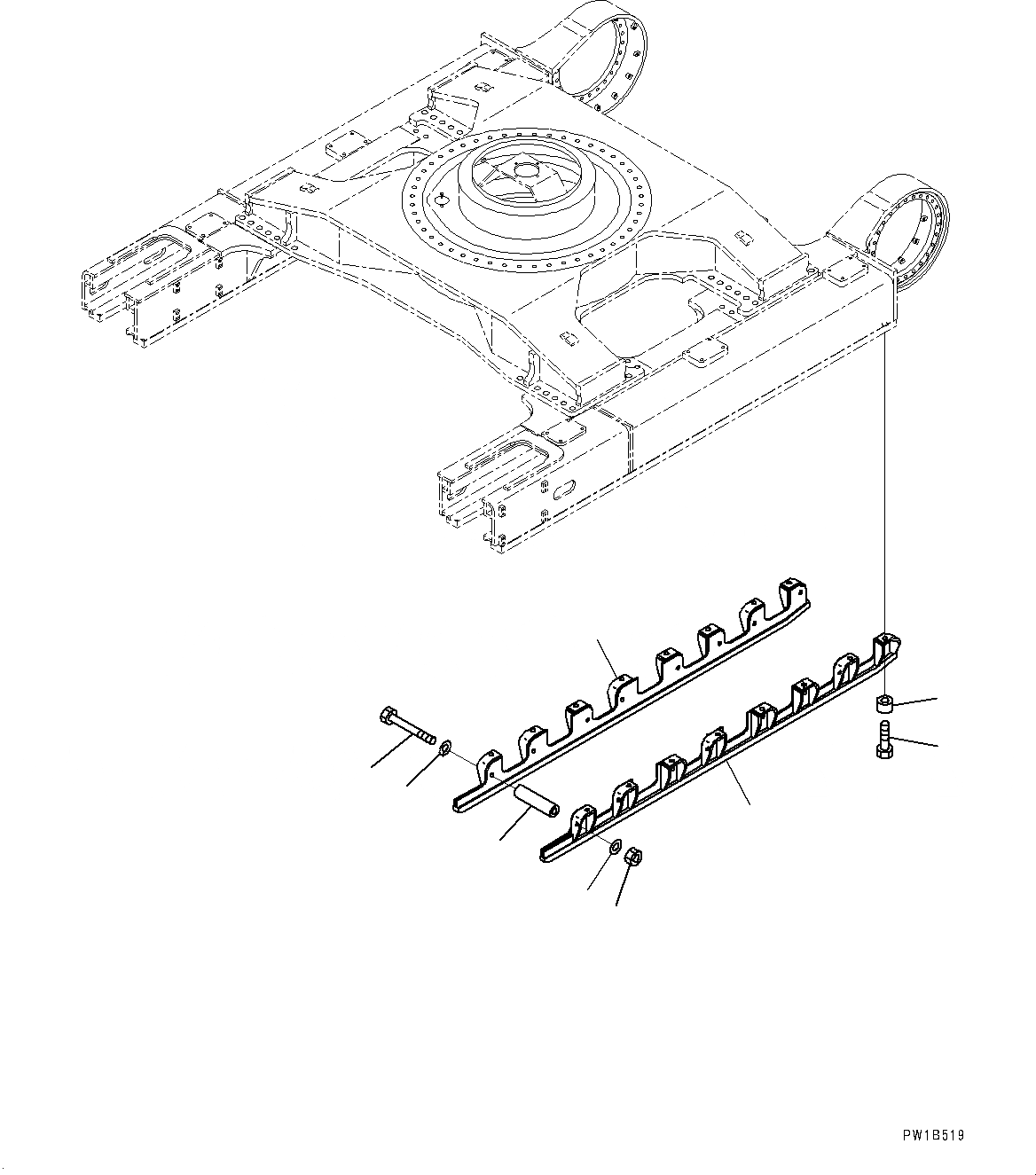
Запчасти Komatsu PC800SE-8E0 ГУСЕНИЧНАЯ РАМА, ЗАЩИТА ОПОРНЫХ КАТКОВ, ЛЕВ. (№-) ГУСЕНИЧНАЯ РАМА, ПОЛН. LENGTH ЗАЩИТА ОПОРНЫХ КАТКОВ, ДВУБОРТН. ОПОРНЫЙ КАТОК

Схема запчастей Komatsu PC800SE-8E0 - ГУСЕНИЧНАЯ РАМА, ЗАЩИТА ОПОРНЫХ КАТКОВ, ЛЕВ. (№-) ГУСЕНИЧНАЯ РАМА, ПОЛН. LENGTH ЗАЩИТА ОПОРНЫХ КАТКОВ, ДВУБОРТН. ОПОРНЫЙ КАТОК
7
3
5
1
2
4
6
8
8
FIT
1:1
100%

Артикул

Название

Примечание

Количество

1

209-30-77322

Guard

2

209-30-77332

Guard

3

01011-82700

Bolt

4

209-30-77480

Spacer

5

209-30-77350

Spacer

6

209-30-77340

Bolt

7

01580-12722

Nut

8

01643-32780

Washer

Выбрано товаров: 8