Запчасти Komatsu PC800SE-8R СЕРВИСНЫЙ КЛАПАН ГИДРАВЛИКА

Схема запчастей Komatsu PC800SE-8R - СЕРВИСНЫЙ КЛАПАН ГИДРАВЛИКА
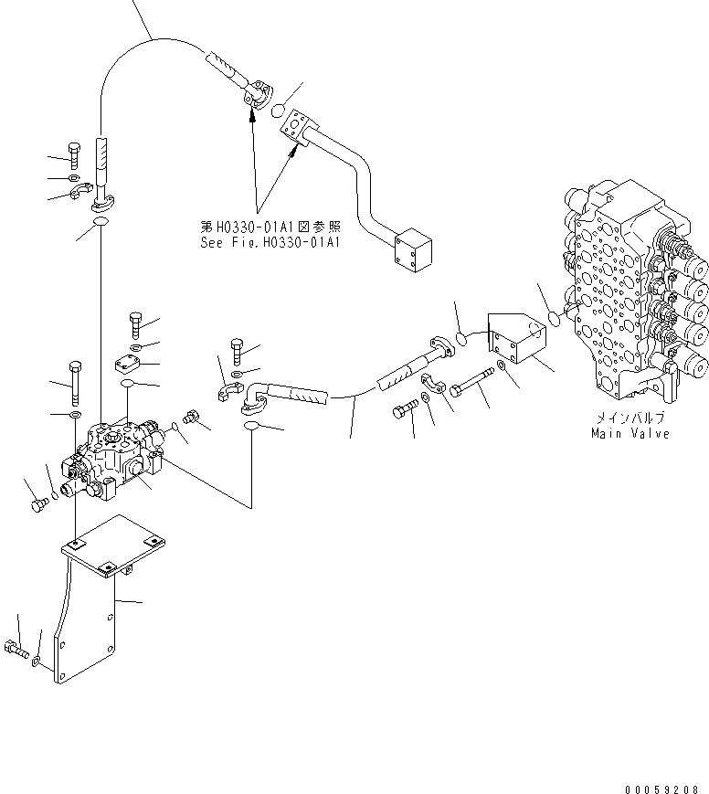
1
2
3
4
5
6
7
8
9
9
10
11
12
13
14
15
16
17
18
19
20
21
22
23
23
24
25
26
27
28
28
29
29
FIT
1:1
100%

Артикул

Название

Примечание

Количество

1

209-62-76750

BLOCK

2

07000-B3048

O-RING

3

01011-81460

BOLT

4

01643-31445

WASHER

5

07371-51260

FLANGE

6

01010-81245

BOLT

7

01643-31232

WASHER

8

07098-01209

HOSE

9

07000-B3038

O-RING

10

700-91-71000

VALVE ASS'Y

11

01010-81285

BOLT

12

01643-31232

WASHER

13

07371-51260

FLANGE

14

01010-81245

BOLT

15

01643-31232

WASHER

16

209-62-43290

BRACKET

17

01010-81640

BOLT

18

01643-31645

WASHER

19

07371-31255

FLANGE

20

07372-21035

BOLT

21

01643-51032

WASHER

22

07298-012A8

HOSE

23

07000-B3038

O-RING

24

207-62-56190

FLANGE

25

07000-13035

O-RING

26

07372-21040

BOLT

27

01643-51032

WASHER

28

07040-12012

PLUG

29

07002-12034

O-RING

Выбрано товаров: 29