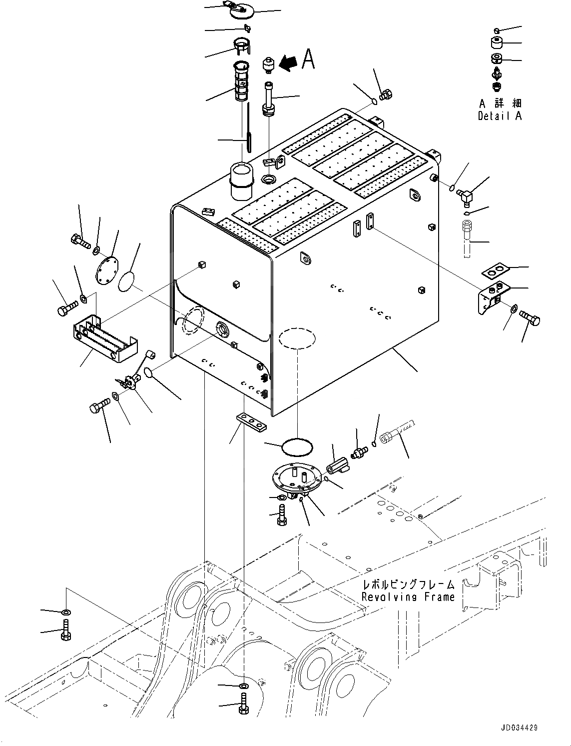
Запчасти Komatsu PC800SE-8R1 ТОПЛИВН. БАК. (№7-) ТОПЛИВН. БАК., С ТОПЛИВН. БЫСТР. ЗАПРАВ. СИСТЕМА

Схема запчастей Komatsu PC800SE-8R1 - ТОПЛИВН. БАК. (№7-) ТОПЛИВН. БАК., С ТОПЛИВН. БЫСТР. ЗАПРАВ. СИСТЕМА
36
39
38
37
32
26
21
25
24
23
22
12
43
40
42
41
43
27
4
2
1
19
20
17
18
3
13
6
44
5
33
35
34
45
15
16
14
31
11
10
28
29
46
30
8
7
9
FIT
1:1
100%

Артикул

Название

Примечание

Количество

|$0

22U-04-21241

Strainer Assembly

|$1

22U-04-21200

Float Assembly

1

22U-04-21210

Guide

2

20Y-04-21580

Cap

3

22U-04-21220

Float

4

07056-18425

Strainer

5

209-04-45120

Tank

6

17A-04-41411

Cap

7

209-04-41511

Flange

8

02896-11012

O-ring

9

02896-11009

O-ring

10

01010-81235

Bolt

11

01643-31232

Washer

12

07000-15200

O-ring

13

209-04-41330

Tube

|$15

22U-60-21520

Breather

14

421-60-35170

Element

15

421-60-35180

Cover

16

421-60-35190

Nut

17

195-04-31160

Cover

18

07000-12115

O-ring

19

01010-80820

Bolt

20

01602-20825

Washer

21

7861-93-5810

Sensor

22

07000-13050

O-ring

23

01010-80612

Bolt

24

01643-30623

Washer

25

02782-10315

Elbow

26

07002-12034

O-ring

27

02896-11009

O-ring

28

07700-40661

Valve, Fuel Drain

29

209-04-42150

Union

30

02896-11015

O-ring

31

07040-12012

Plug

32

07002-12034

O-ring

33

21M-54-32980

Step

34

01010-81230

Bolt

35

01643-31232

Washer

36

209-53-45240

Bracket

37

209-53-11250

Sheet

38

01010-81230

Bolt

39

01643-31232

Washer

40

01010-82050

Bolt

41

01010-82070

Bolt

42

209-04-45130

Spacer

43

01643-32060

Washer

44

09460-00000

Padlock

45

209-04-45151

Hose

46

209-04-45610

Hose Assembly

Выбрано товаров: 49