Качественные детали и логистика
Оригинальные и аналоговые запчасти с доставкой по России, Казахстану и Беларуси
©2022 PartSell ООО "Система" ИНН 2463123282 ОГРН 1212400004838
Центральный офис: г. Красноярск, Академика Киренского, д.87, пом.4
Телефон: 8 (800) 777-65-74 Email: zakaz@partsell.ru
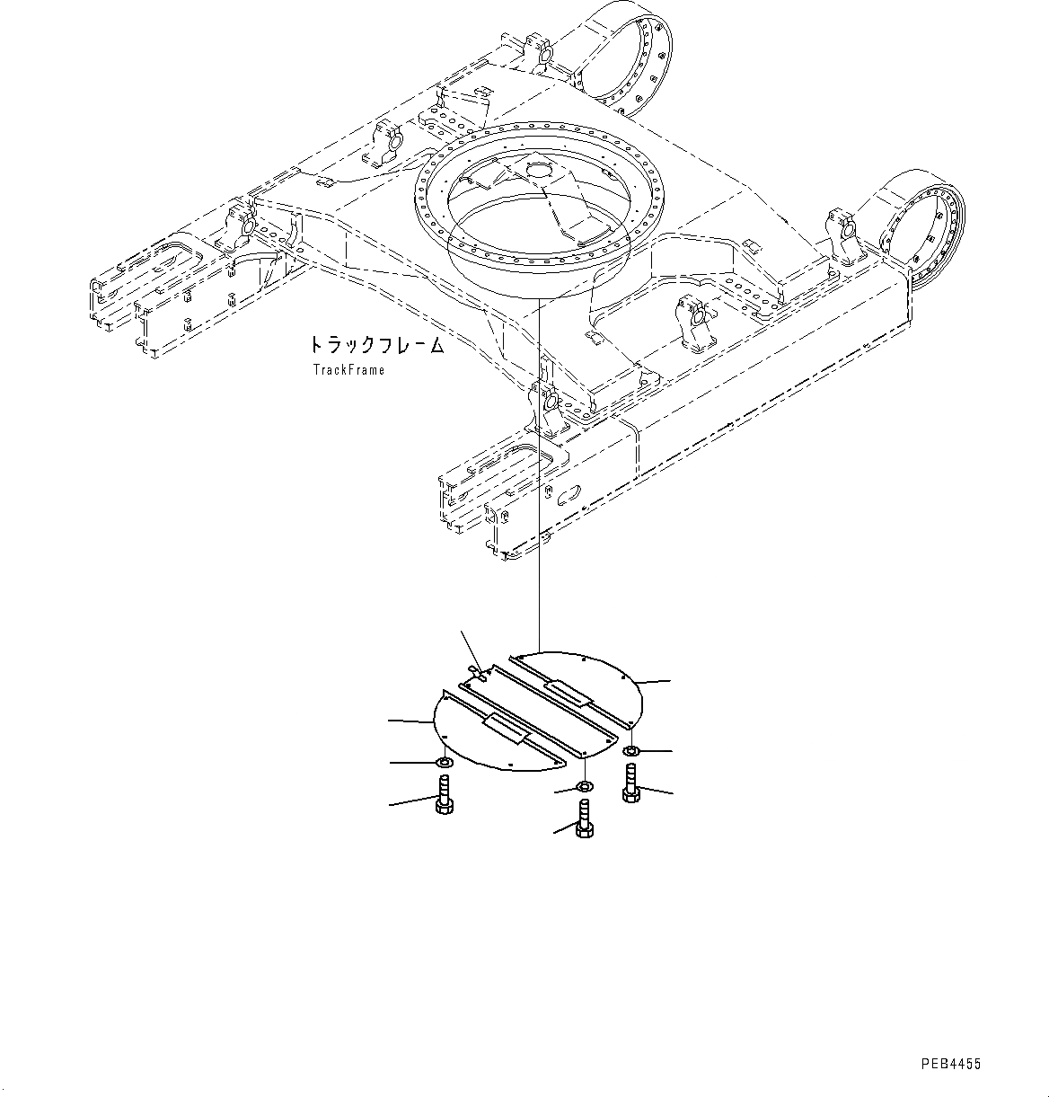
ГУСЕНИЧНАЯ РАМА НИЖН. КРЫШКА (№7-)
№
Артикул
Название
Примечание
Количество
1
209-30-61520
Cover
2
01010-81230
Bolt
3
175-54-34170
Washer
4
209-30-61530
5
6
Выбрано товаров: 0