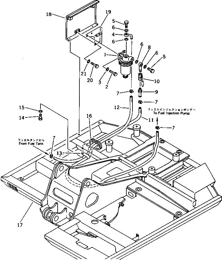
Запчасти Komatsu PC80LC-3 ВОДООТДЕЛИТЕЛЬ ОПЦИОННЫЕ КОМПОНЕНТЫ

Схема запчастей Komatsu PC80LC-3 - ВОДООТДЕЛИТЕЛЬ ОПЦИОННЫЕ КОМПОНЕНТЫ
FIT
1:1
100%

Артикул

Название

Примечание

Количество

1

600-311-9800

WATER SEPARATOR A.

2

01010-50825

BOLT

3

01643-30823

WASHER

4

6144-71-5760

JOINT

5

07206-31014

BOLT,JOINT

6

07005-01412

GASKET

7

07281-00197

CLAMP

8

205-04-62140

JOINT

9

236-43-24210

JOINT

10

07700-40240

VALVE

11

07288-01008

HOSE

12

07288-01022

HOSE

13

208-06-12110

CLIP

14

01010-51016

BOLT

15

01643-31032

WASHER

16

203-06-41550

GROMMET

17

20X-46-21410

FRAME

18

20X-54-27210

COVER

19

21K-04-21110

BRACKET

20

01010-51225

BOLT

21

01643-31232

WASHER

Выбрано товаров: 0