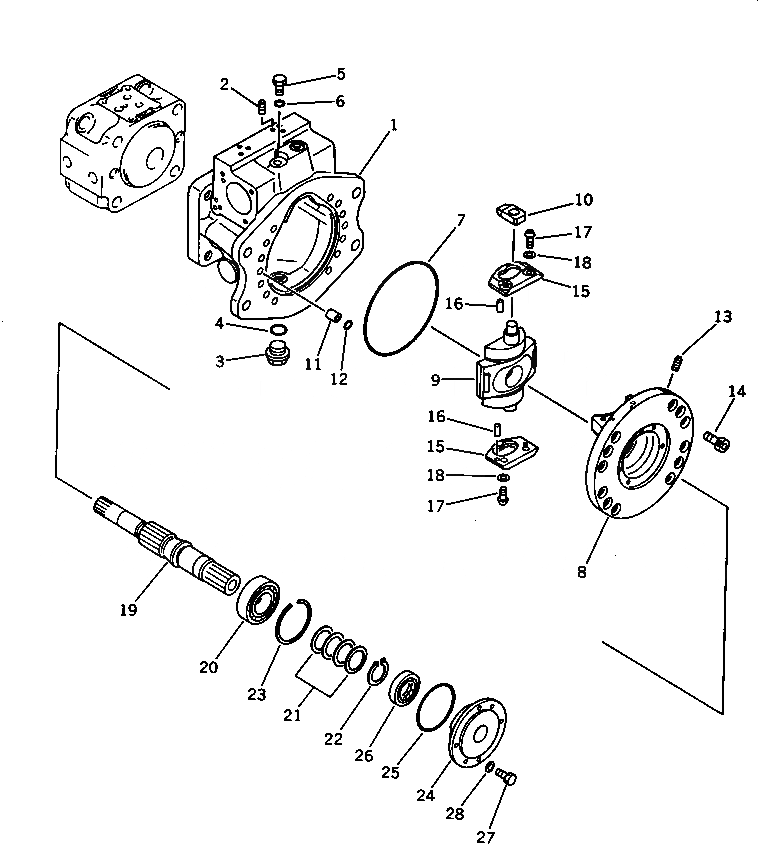
Запчасти Komatsu PC80LC-3 ГИДР. НАСОС.¤ ПЕРЕДН. (/) (БЕЗ ВЫБОР РЕЖИМА OLSS)(№-8) ГИДРАВЛИКА

Схема запчастей Komatsu PC80LC-3 - ГИДР. НАСОС.¤ ПЕРЕДН. (/) (БЕЗ ВЫБОР РЕЖИМА OLSS)(№-8) ГИДРАВЛИКА
FIT
1:1
100%

Артикул

Название

Примечание

Количество

|$0

708-21-01040

PUMP ASS'Y,(HPV35+35)

|$1

708-21-10701

PUMP ASS'Y,(HPV35+35)

|$2

708-21-10700

PUMP ASS'Y,(HPV35+35)

|$$4

THESE ASSEMBLIES CONSIST OF ALL PARTS SHOWN IN FIGS.6201 TO 6231.

|$4

708-21-11200

PUMP SUB ASS'Y

|$$6

THIS ASSEMBLY CONSISTS OF ALL PARTS SHOWN IN FIGS.6203 TO 6211.

1

CASE,FRONT

2

PLUG

3

07044-12412

PLUG

4

07002-02434

O-RING

5

720-68-19870

PLUG

6

07002-01223

O-RING

7

07000-02145

O-RING

|$13

708-21-05050

CRADLE ASS'Y

8

CRADLE,FRONT

9

CAM,CAM

10

708-21-14220

SLIDER

11

708-21-12330

JOINT

12

07000-12012

O-RING

13

706-86-51180

PLUG

14

708-21-12380

BOLT

15

708-21-12340

PLATE

16

708-23-12370

PIN

17

708-21-12350

SCREW

18

708-21-12360

WASHER

19

708-21-12711

SHAFT

20

708-21-12751

BEARING

21

708-21-05010

WASHER KIT

21

WASHER

21

WASHER

21

WASHER

21

WASHER

22

708-25-22830

RING,SNAP

23

708-21-12660

RING

24

708-21-12851

HOUSING

25

07000-02055

O-RING

26

708-21-12860

SEAL,OIL

27

01010-30616

BOLT

28

01643-30623

WASHER

Выбрано товаров: 39