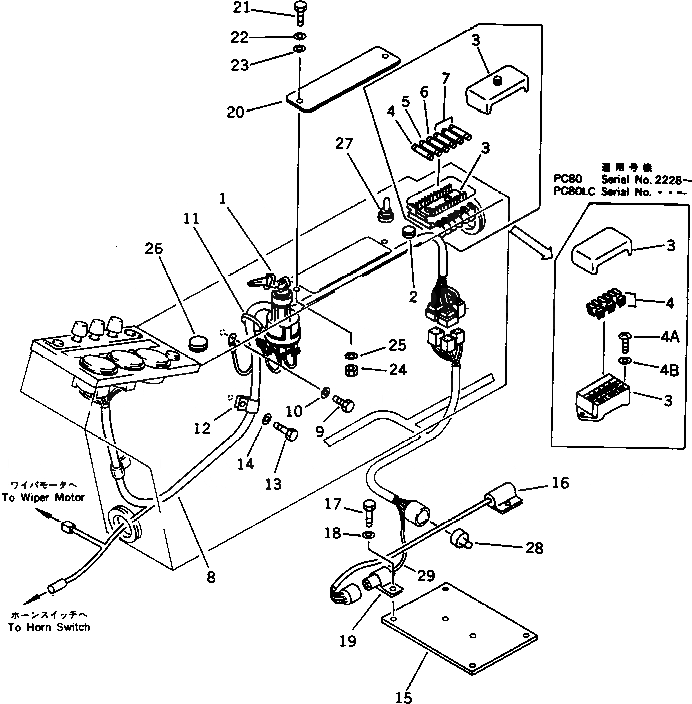
Запчасти Komatsu PC80LC-3 ПАНЕЛЬ ПРИБОРОВ (/) (РАДИО-LESS) (БЕЗ ПОВОРОТН. МЕХАНИЧ.ТОРМОЗ.) КОМПОНЕНТЫ ДВИГАТЕЛЯ И ЭЛЕКТРИКА

Схема запчастей Komatsu PC80LC-3 - ПАНЕЛЬ ПРИБОРОВ (/) (РАДИО-LESS) (БЕЗ ПОВОРОТН. МЕХАНИЧ.  ТОРМОЗ.) КОМПОНЕНТЫ ДВИГАТЕЛЯ И ЭЛЕКТРИКА
FIT
1:1
100%

Артикул

Название

Примечание

Количество

1

201-06-21510

SWITCH,STARTING

2

09415-00706

CAP

3

205-06-71480

FUSE BOX

|3

203-06-41540

BOX,FUSE

4A

01220-40616

SCREW

4B

01643-30623

WASHER

4

205-06-73180

FUSE¤ 15A

|4

08040-04000

FUSE¤ 40A

5

08040-03000

FUSE¤ 30A

6

08040-02000

FUSE¤ 20A

7

08040-01000

FUSE¤ 10A

8

20X-06-21215

WIRE ASS'Y

|8

20X-06-21214

WIRE ASS'Y

|8

20X-06-21213

WIRE ASS'Y

9

01010-50612

BOLT

10

01643-30623

WASHER

11

08034-00519

BAND

12

08036-01814

CLIP

13

01010-51016

BOLT

14

01643-31032

WASHER

15

20X-06-21320

PLATE

16

20X-06-21310

DIODE

17

01010-50816

BOLT

18

01643-30823

WASHER

19

08036-01814

CLIP

20

203-06-31160

PLATE

21

205-06-62170

BOLT

22

205-06-62180

WASHER

23

205-06-62190

WASHER

24

01580-10403

NUT

25

145-Z79-6630

WASHER

26

09415-01610

CAP

27

09415-00706

CAP

28

201-06-51130

WIRE

Выбрано товаров: 0