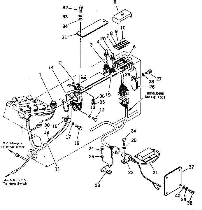
Запчасти Komatsu PC80LC-3 ПАНЕЛЬ ПРИБОРОВ (РАДИО-LESS) (С ПОВОРОТН. МЕХАНИЧ. BREKE) КОМПОНЕНТЫ ДВИГАТЕЛЯ И ЭЛЕКТРИКА

Схема запчастей Komatsu PC80LC-3 - ПАНЕЛЬ ПРИБОРОВ (РАДИО-LESS) (С ПОВОРОТН. МЕХАНИЧ. BREKE) КОМПОНЕНТЫ ДВИГАТЕЛЯ И ЭЛЕКТРИКА
FIT
1:1
100%

Артикул

Название

Примечание

Количество

1

203-06-41810

LAMP,PARKING BRAKE

2

201-06-21510

SWITCH,STARTING

3

203-06-41570

SWITCH,PARKING BRAKE

4

203-06-41680

CAP

5

09415-01610

CAP

6

203-06-41540

BOX,FUSE

7

08040-04000

FUSE¤ 40A

8

08040-03000

FUSE¤ 30A

9

08040-02000

FUSE¤ 20A

10

08040-01000

FUSE¤ 10A

11

20X-06-21213

WIRE ASS'Y

12

01010-50612

BOLT

13

01643-30623

WASHER

14

08034-00519

BAND

15

08036-01814

CLIP

16

01010-51016

BOLT

17

01643-31032

WASHER

18

20X-06-22130

WIRE ASS'Y

19

203-06-41860

SWITCH,AUTO DECELERATION

20

203-06-41610

CAP,BLOCK

21

21K-06-21150

BOX

22

08036-03014

CLIP

23

08036-01814

CLIP

24

01010-50816

BOLT

25

01643-30823

WASHER

26

203-06-41790

RESISTOR

27

01010-50816

BOLT

28

01643-30823

WASHER

29

08036-01814

CLIP

30

20X-06-22110

WIRE ASS'Y

31

203-06-31160

PLATE

32

205-06-62170

BOLT

33

205-06-62180

WASHER

34

205-06-62190

WASHER

35

01580-10403

NUT

36

145-Z79-6630

WASHER

37

205-06-72181

COVER

38

01220-40410

SCREW

39

01601-20410

WASHER

40

01641-20405

WASHER

Выбрано товаров: 40