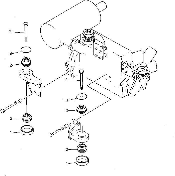
Запчасти Komatsu PC80LC-3 КРЕПЛЕНИЕ ДВИГАТЕЛЯ КОМПОНЕНТЫ ДВИГАТЕЛЯ И ЭЛЕКТРИКА

Схема запчастей Komatsu PC80LC-3 - КРЕПЛЕНИЕ ДВИГАТЕЛЯ КОМПОНЕНТЫ ДВИГАТЕЛЯ И ЭЛЕКТРИКА
FIT
1:1
100%

Артикул

Название

Примечание

Количество

1

20X-01-22170

STOPPER

2

103-01-21130

CUSHION

3

113-01-21120

WASHER

4

01011-51620

BOLT

Выбрано товаров: 4