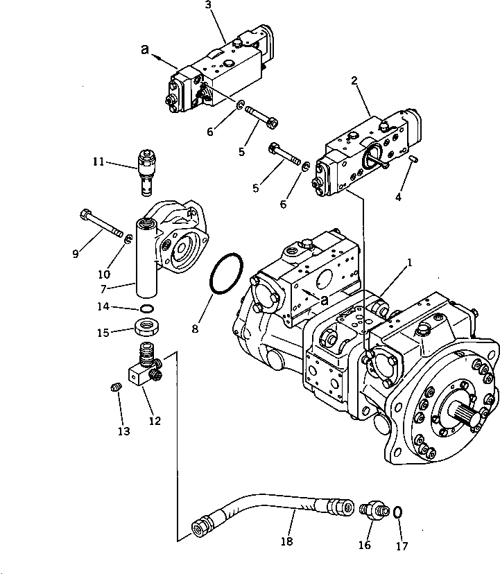
Запчасти Komatsu PC80LC-3 ГИДР. НАСОС. БЛОК (БЕЗ ВЫБОР РЕЖИМА OLSS)(№-8) ГИДРАВЛИКА

Схема запчастей Komatsu PC80LC-3 - ГИДР. НАСОС. БЛОК (БЕЗ ВЫБОР РЕЖИМА OLSS)(№-8) ГИДРАВЛИКА
FIT
1:1
100%

Артикул

Название

Примечание

Количество

|1

708-21-01040

PUMP ASS'Y,(HPV35+35)

|1

708-21-10701

PUMP ASS'Y,(HPV35+35)

|1

708-21-10700

PUMP ASS'Y,(HPV35+35)

|$$4

THESE ASSEMBLIES CONSIST OF ALL PARTS SHOWN IN FIGS.6201 TO 6231.

1

708-21-11200

PUMP SUB ASS'Y

2

708-21-15901

SERVO VALVE ASS'Y,FRONT

3

708-21-16901

SERVO VALVE ASS'Y,REAR

4

04020-00616

PIN,DOWEL

5

708-25-19130

BOLT

6

01602-20825

WASHER,SPRING

7

704-24-24400

GEAR PUMP ASS'Y

8

07000-02085

O-RING

9

01010-51080

BOLT

10

01602-21030

WASHER,SPRING

11

708-23-14800

VALVE ASS'Y

12

708-23-19110

ELBOW

13

07042-30108

PLUG

14

07002-02434

O-RING

15

07239-12410

NUT

16

07230-10315

UNION

17

07002-02034

O-RING

18

07102-20303

HOSE

Выбрано товаров: 22