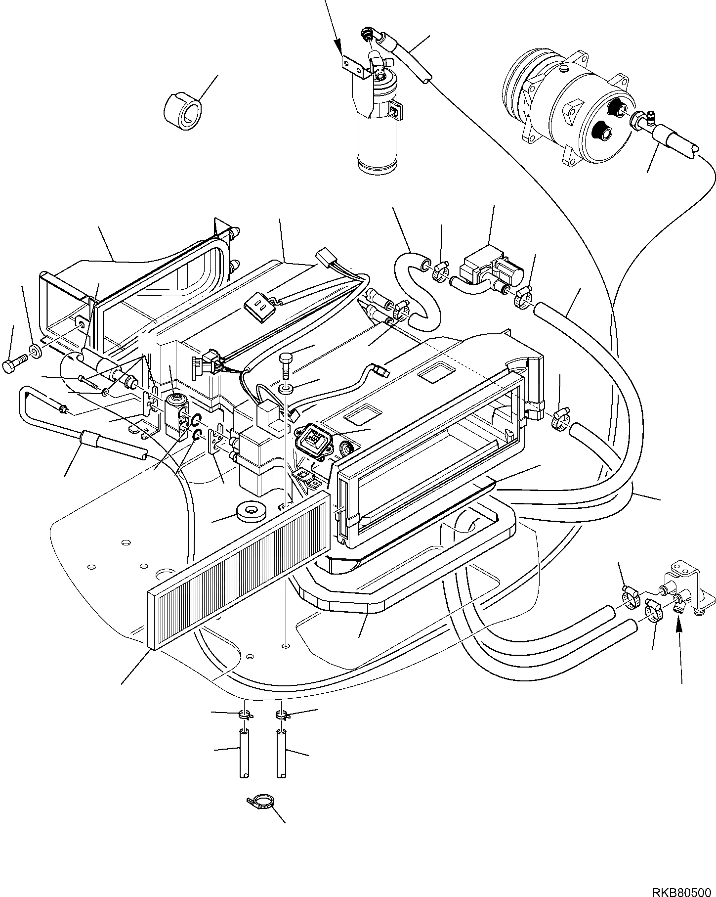
Запчасти Komatsu PC80MR-3 КОНДИЦ. СИСТЕМА (/) ЧАСТИ КОРПУСА И КАБИНА

Схема запчастей Komatsu PC80MR-3 - КОНДИЦ. СИСТЕМА (/) ЧАСТИ КОРПУСА И КАБИНА
20
19
21
17
16
1
18
15
26
21
30
25
29
27
11
18
6
26
13
28
14
12
2
10
5
20
4
3
25
8
26
26
7
23
23
22
22
24
B
A
9
FIT
1:1
100%

Артикул

Название

Примечание

Количество

\0

22E-979-2100

AIR CONDITIONING, ASSEMBLY

1

22E-979-2120

AIR CONDITIONING

2

21W-979-R370

RESISTOR

3

22E-979-1230

FLANGE

4

395-S61-1260

O-RING

5

395-S61-1270

O-RING

6

42N-07-11560

EXPANSION VALVE

7

22B-54-R730

AIR FILTER CARTRIDGE

8

22E-979-2130

GASKET

9

21W-09-R7110

GASKET

10

21W-09-R7120

SHEET

11

37A-942-2310

KIT, RETAINER

12

37A-942-1940

FLANGE

13

01252-70616

BOLT

14

01643-10623

WASHER

15

22B-979-R691

CONVEYOR

16

42N-07-11520

HOSE

17

22E-977-2120

COCK

18

07281-00259

CLAMP

19

37A-942-1460

SEALING KIT

20

22E-979-2140

HOSE

21

22E-979-2150

HOSE

22

21W-979-R250

HOSE

23

07285-00115

CLAMP

24

08034-20519

CLAMP

25

21W-979-4271

HOSE

26

07281-00197

CLAMP

27

01010-81020

BOLT

28

01643-11032

WASHER

29

01010-81020

BOLT

30

01643-11032

WASHER

Выбрано товаров: 31