Запчасти Komatsu PC850-8 ВСАСЫВ. ТРУБЫ (ГИДР. БАК.)(№-) ГИДРАВЛИКА

Схема запчастей Komatsu PC850-8 - ВСАСЫВ. ТРУБЫ (ГИДР. БАК.)(№-) ГИДРАВЛИКА
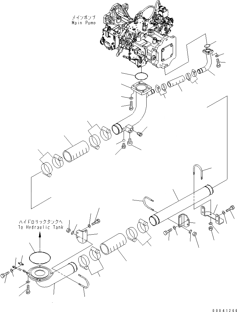
1
2
3
4
5
6
7
8
9
10
11
12
13
14
15
16
16
17
18
19
20
20
21
21
22
22
23
23
24
24
25
26
26
27
28
29
30
31
32
33
34
35
36
36
37
38
39
40
FIT
1:1
100%

Артикул

Название

Примечание

Количество

1

209-62-41111

TUBE

2

07000-15230

O-RING

3

01010-81235

BOLT

4

01643-31232

WASHER

5

7861-93-3320

SENSOR

6

08193-21012

CLIP

7

01010-81220

BOLT

8

01643-31232

WASHER

9

209-62-41160

BRACKET

10

01010-81230

BOLT

11

175-54-34170

WASHER

12

07283-31193

CLIP

13

01597-01211

NUT

14

01643-31232

WASHER

15

209-62-41150

HOSE

16

209-62-41341

CLAMP

17

209-62-41120

TUBE

18

209-62-41160

BRACKET

19

209-62-41170

BRACKET

20

01010-81230

BOLT

21

175-54-34170

WASHER

22

07283-31193

CLIP

23

01597-01211

NUT

24

01643-31232

WASHER

25

209-62-41150

HOSE

26

209-62-41341

CLAMP

27

209-62-41131

TUBE

28

07000-B2140

O-RING

29

01010-81665

BOLT

30

01643-31645

WASHER

31

198-60-19820

VALVE

32

07040-13618

PLUG

33

07040-12412

PLUG

34

07002-12434

O-RING

35

07260-04720

HOSE

36

21M-62-21550

CLAMP

37

209-62-41140

TUBE

38

07000-B2060

O-RING

39

07372-21240

BOLT

40

01643-51232

WASHER

Выбрано товаров: 0