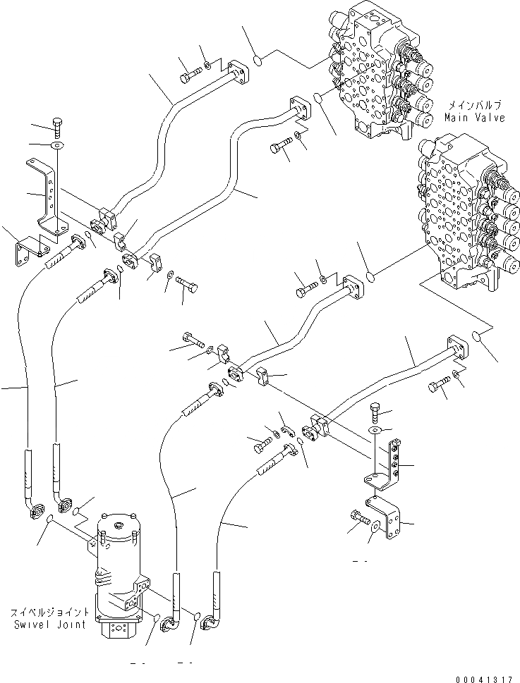
Запчасти Komatsu PC850-8 КЛАПАН ПОДАЮЩ. ТРУБЫ (ХОД) ГИДРАВЛИКА

Схема запчастей Komatsu PC850-8 - КЛАПАН ПОДАЮЩ. ТРУБЫ (ХОД) ГИДРАВЛИКА
1
2
3
4
5
6
7
8
9
10
11
12
13
14
15
16
17
18
19
20
21
22
22
22
22
23
24
25
25
25
25
26
26
27
28
29
30
31
32
32
33
34
35
36
37
38
38
39
40
FIT
1:1
100%

Артикул

Название

Примечание

Количество

1

209-62-73361

TUBE

2

01010-81455

BOLT

3

01643-31445

WASHER

4

07000-B3048

O-RING

5

209-62-73351

TUBE

6

01010-81455

BOLT

7

01643-31445

WASHER

8

07000-B3048

O-RING

9

209-62-73371

TUBE

10

01010-81455

BOLT

11

01643-31445

WASHER

12

07000-B3048

O-RING

13

209-62-73381

TUBE

14

01010-81455

BOLT

15

01643-31445

WASHER

16

07000-B3048

O-RING

17

07371-31049

FLANGE

18

07372-21035

BOLT

19

01643-51032

WASHER

20

07098-010A6

HOSE

21

07098-010A8

HOSE

22

07000-13032

O-RING

23

07098-01008

HOSE

24

07098-01010

HOSE

25

07000-13032

O-RING

26

209-62-73391

BRACKET

27

01010-81230

BOLT

28

175-54-34170

WASHER

29

209-62-42150

BRACKET

30

01010-81235

BOLT

31

175-54-34170

WASHER

32

209-62-58750

CLAMP

33

01011-81205

BOLT

34

01643-31232

WASHER

35

209-62-73421

BRACKET

36

01010-81235

BOLT

37

175-54-34170

WASHER

38

209-62-58750

CLAMP

39

01011-81205

BOLT

40

01643-31232

WASHER

Выбрано товаров: 40