Запчасти Komatsu PC850-8 КЛАПАН ПОДАЮЩ. ТРУБЫ (ПОВОРОТН.) ГИДРАВЛИКА

Схема запчастей Komatsu PC850-8 - КЛАПАН ПОДАЮЩ. ТРУБЫ (ПОВОРОТН.) ГИДРАВЛИКА
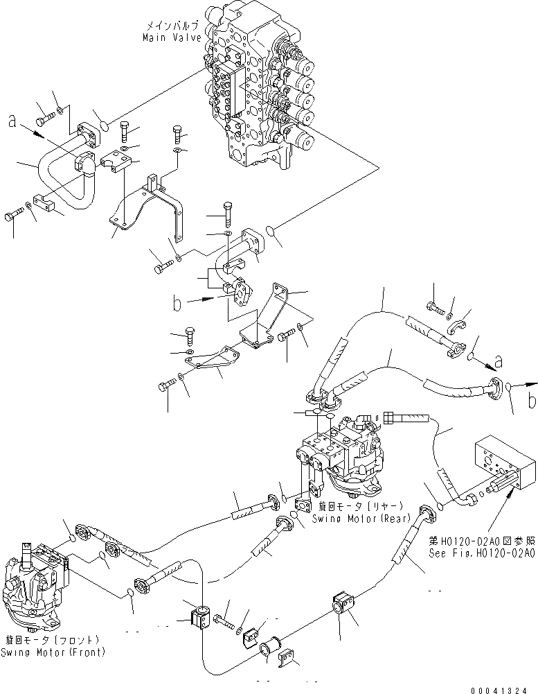
1
2
3
4
5
6
7
8
9
10
11
12
13
14
15
16
17
18
19
20
21
22
23
24
25
26
27
28
29
30
31
32
32
33
33
33
34
34
35
35
35
35
36
37
38
38
39
39
39
40
40
40
40
41
42
FIT
1:1
100%

Артикул

Название

Примечание

Количество

1

209-62-73741

TUBE

2

07000-B3048

O-RING

3

01010-81455

BOLT

4

01643-31445

WASHER

5

209-62-73730

TUBE

6

01010-81455

BOLT

7

01643-31445

WASHER

8

07000-B3048

O-RING

9

209-62-73251

BRACKET

10

01010-81225

BOLT

11

01643-31232

WASHER

12

176-61-41330

CLAMP

13

01010-81290

BOLT

14

01643-31232

WASHER

15

209-64-16150

BRACKET

16

209-62-52440

CLAMP

17

176-61-41330

CLAMP

18

01010-81255

BOLT

19

175-54-34170

WASHER

20

01010-81230

BOLT

21

01643-31232

WASHER

22

01010-81260

BOLT

23

01643-31232

WASHER

24

209-62-73261

BRACKET

25

01010-81230

BOLT

26

01643-31232

WASHER

27

01010-81230

BOLT

28

01643-31232

WASHER

29

07371-51260

FLANGE

30

01010-81245

BOLT

31

01643-31232

WASHER

32

209-62-16710

HOSE

33

07000-B3038

O-RING

34

208-62-51270

HOSE

35

07000-B3032

O-RING

36

209-62-42690

HOSE

37

209-64-16850

HOSE, 550MM

38

07000-B3038

O-RING

39

07095-01038

CUSHION

40

07094-11024

CLAMP

41

01010-81280

BOLT

42

01643-31232

WASHER

Выбрано товаров: 0