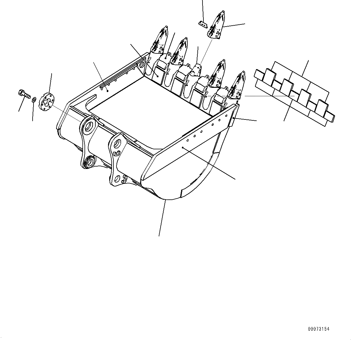
Запчасти Komatsu PC850-8E0 КОВШ (№7-) КОВШ, .M, MM ШИР., KMAX TOOTH, THRUST ADJUSTMENT, БОКОРЕЗЫ

Схема запчастей Komatsu PC850-8E0 - КОВШ (№7-) КОВШ, .M, MM ШИР., KMAX TOOTH, THRUST ADJUSTMENT, БОКОРЕЗЫ
5
1
2
6
4
7
3
13
14
12
11
10
9
8
FIT
1:1
100%

Артикул

Название

Примечание

Количество

1

209-939-4312

Bucket

2

209-70-44211

Adapter,Welded

3

209-70-44670

Plate,Welded

4

209-939-4320

Plate,Welded

5

209-939-4330

Plate,Welded

6

209-939-4340

Plate,Welded

7

21N-939-4891

Shroud,Welded

8

209-70-44840

Plate,Welded

9

209-70-44870

Plate,Welded

10

209-70-44241

Tooth

11

209-70-44261

Pin Assembly

12

209-939-5421

Cover

13

01010-82480

Bolt

14

01643-32460

Washer

Выбрано товаров: 14